Click Here to enter Utsource site
Category
Buy(0)
Inquiry(0)
Dear customers, due to the implementation of the GDPR policy in Europe, UTSOURCE has also made adjustment accordingly to meet the policy requirements. Please read the new privacy policy carefully and this window will no longer pop up after you accept it.
Delivery Address
+ Add Address
The new shipping address
* Please fill in the cell phone number correctly to make sure that you can receive the tracking info in time.
Country Code
IRFB42N20DPBF
SSM2402P
WEIPU SP1312/S7
Coilmaster Elec SQH6045S-220M-LF
MOLEX 532540270
DMP3085LSS-13
YAGEO AC0805FR-07442RL(50pcs)
UNI-ROYAL(Uniroyal Elec) 0402WGF390LTCE(50pcs)
TDK VLS5045EX-6R8M(5pcs)
Walsin Tech Corp MR08X6801FTL(100pcs)
JUSHUO AFC07-S14FCC-00
Uniroyal Elec 0805W8F562KT5E(100pcs)
TD62783AP
Cixi Kefa Elec KF2EDGKBM-5.08-4P
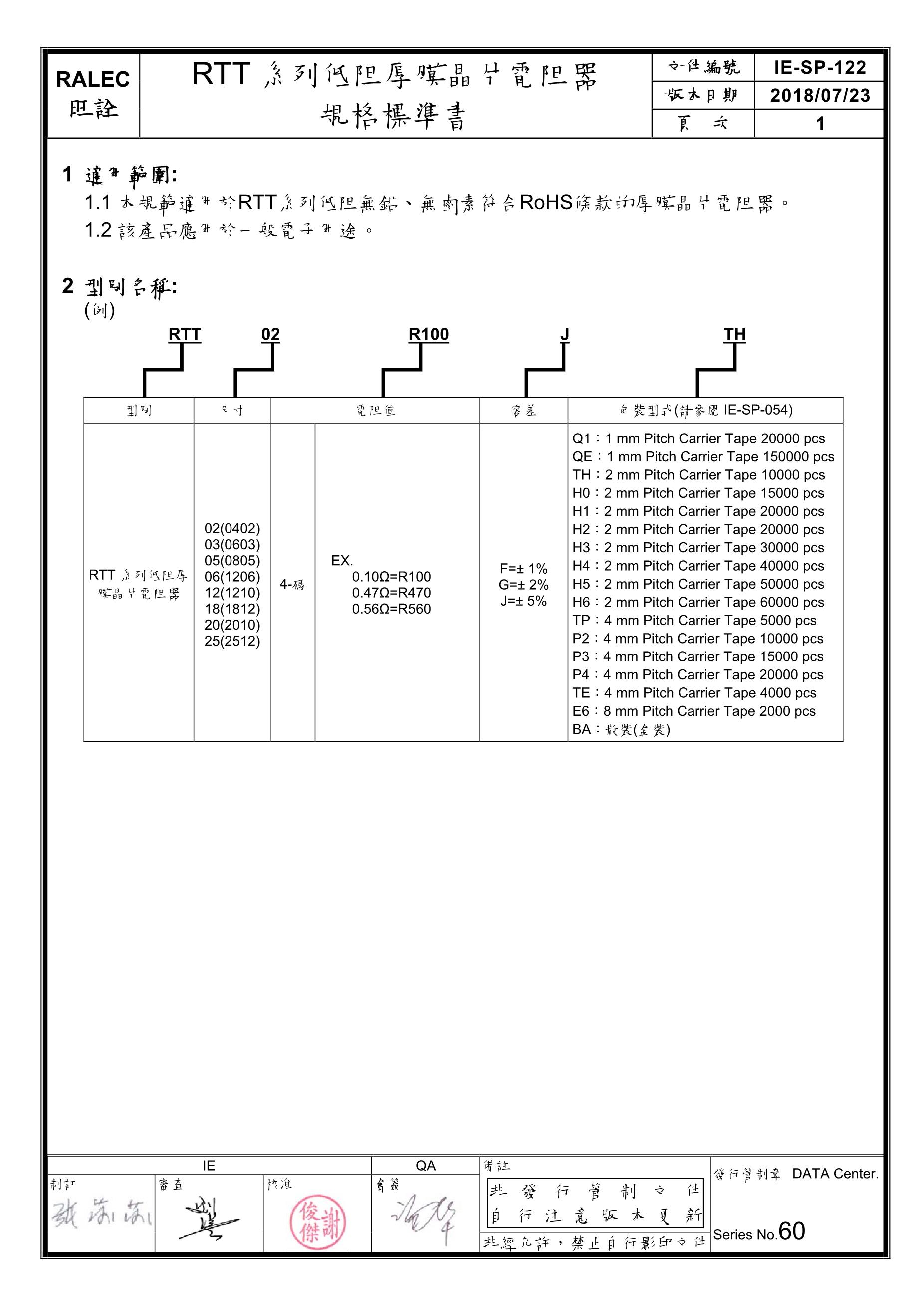
RALEC RTT0282R0DTH(100pcs)
Murata Electronics GCM31MR71E335KA57L
Capxon International Elec KF470M050E110ETC(20pcs)
PANASONIC EEUFR1V471L