Click Here to enter Utsource site
Category
Buy(0)
Inquiry(0)
Dear customers, due to the implementation of the GDPR policy in Europe, UTSOURCE has also made adjustment accordingly to meet the policy requirements. Please read the new privacy policy carefully and this window will no longer pop up after you accept it.
Delivery Address
+ Add Address
The new shipping address
* Please fill in the cell phone number correctly to make sure that you can receive the tracking info in time.
Country Code
AKER CXAN-030000-3F08F20
Guangdong Fenghua Advanced Tech RS-05L1604FT(50pcs)
Viking Tech AR03FTC1602(50pcs)
DIBO DB2ERM-3.81-12P-GN
Thunder Component MELF-MFR02041/4WS432ΩFT50(20pcs)
Cixi Kefa Elec KF2EDGKM-7.62-3P
FH(Guangdong Fenghua Advanced Tech) 0603CG0R8C500NT(50pcs)
AD1885
2N4222
TDK NLCV32T-100K-EFRD
YAGEO CC1206MKX5R6BB476
Guangdong Fenghua Advanced Tech RC-01W681JT(100pcs)
Viking Tech AR06DTDV0750(20pcs)
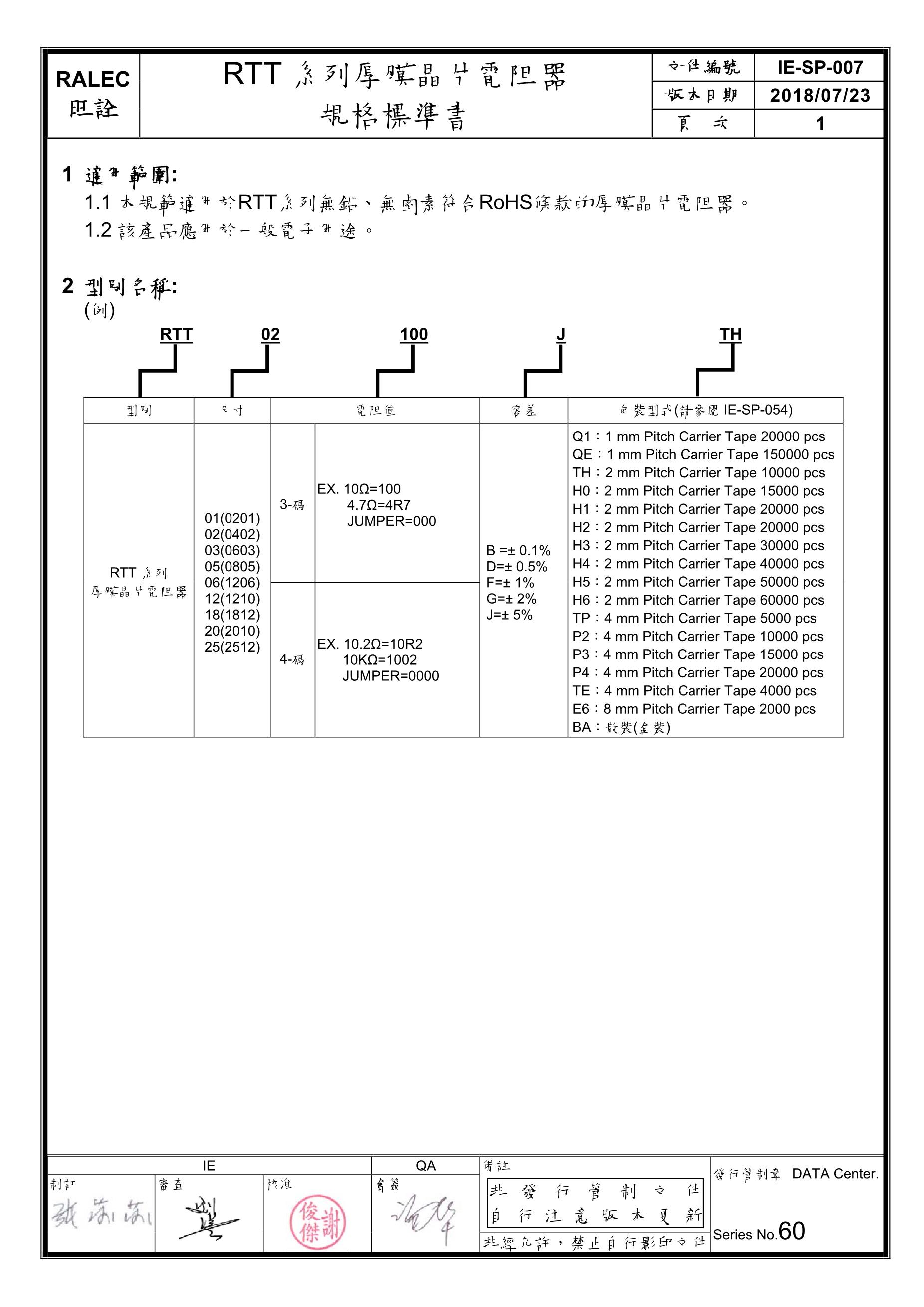
RALEC RTT123920FTP(50pcs)
Rubycon 400BXC10MEFCT810X16
TyoHM RMC080522K5%N(100pcs)
TyoHM RN 1/4W 1K5 F T/B A1(50pcs)
DS88C20N