Click Here to enter Utsource site
Category
Buy(0)
Inquiry(0)
Dear customers, due to the implementation of the GDPR policy in Europe, UTSOURCE has also made adjustment accordingly to meet the policy requirements. Please read the new privacy policy carefully and this window will no longer pop up after you accept it.
Delivery Address
+ Add Address
The new shipping address
* Please fill in the cell phone number correctly to make sure that you can receive the tracking info in time.
Country Code
COILANK INTERNATIONAL APS05A30M4R7
KOA Speer Elec RK73H1ETTP2402F(100pcs)
Guangdong Fenghua Advanced Tech VHF100505HR18JT(50pcs)
BOURNS CR0603-FX-3012ELF(50pcs)
TDK MHQ0603W1N6CT000(50pcs)
XKB Enterprise X05A10H26G
Changjiang Connectors A2008HA-6P(5pcs)
Rubycon 35YXF470MFFCT810X20
Sunlord SDWL2520C4N7JSTF(5pcs)
PSD835G2V-12UI
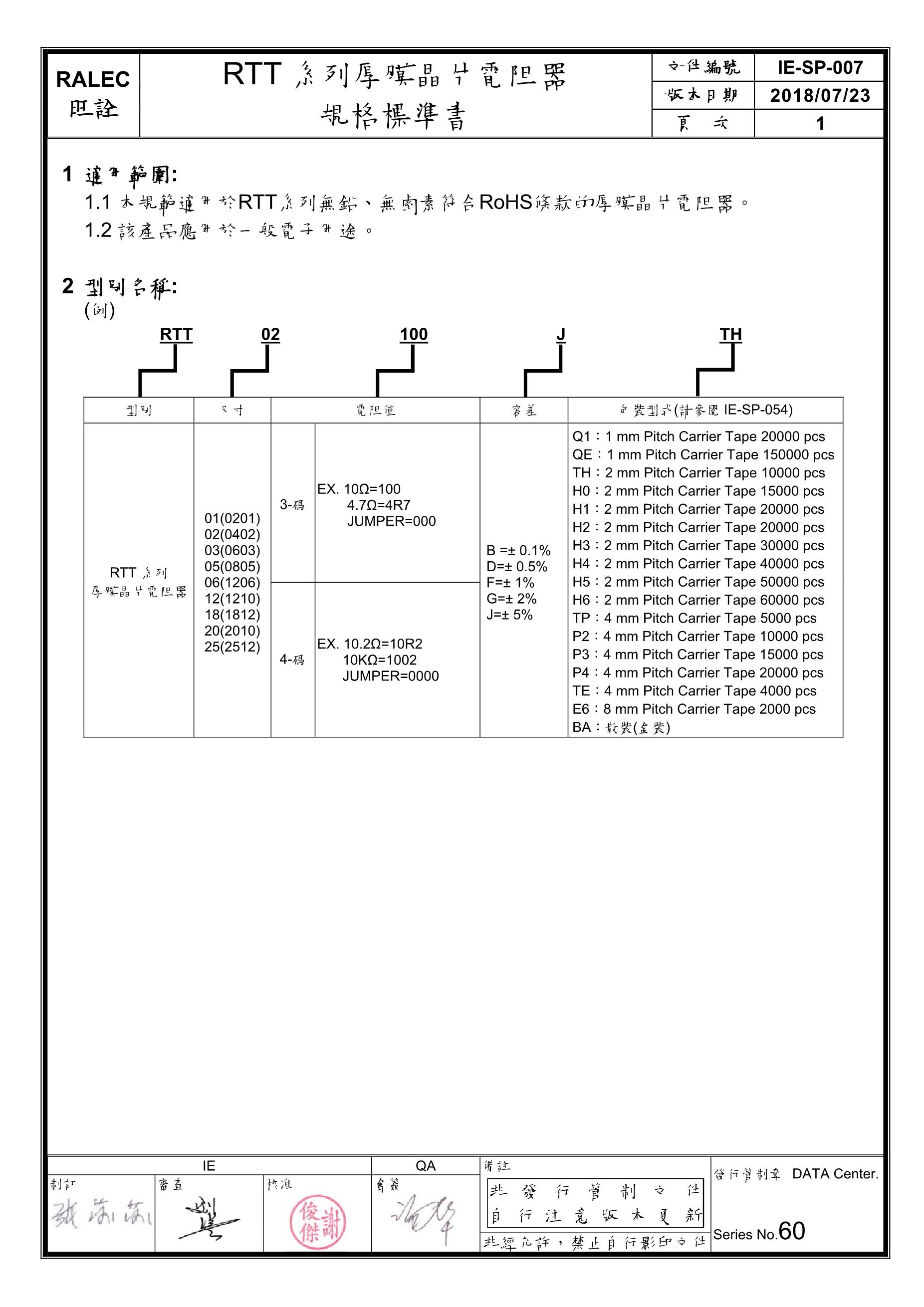
RALEC RTT122002FTP(50pcs)
Cixi Kefa Elec KF2EDGV-2.5-6P
PANASONIC ERJ3EKF3402V(50pcs)
KUM PH772-06027
XKB Enterprise X2016WV-03K-N0SN
RALEC RTT12R068FTP(20pcs)
KOA Speer Elec RK73H1ETTP15R0F(100pcs)
Guangdong Fenghua Advanced Tech RS-06K31R6FT(50pcs)