Click Here to enter Utsource site
Category
Buy(0)
Inquiry(0)
Dear customers, due to the implementation of the GDPR policy in Europe, UTSOURCE has also made adjustment accordingly to meet the policy requirements. Please read the new privacy policy carefully and this window will no longer pop up after you accept it.
Delivery Address
+ Add Address
The new shipping address
* Please fill in the cell phone number correctly to make sure that you can receive the tracking info in time.
Country Code
ResistorToday AECR0603F2K70K9(50pcs)
SiTime SIT8208AI-8F-33E-70.000000
LIZ Elec CR0805F85903G(100pcs)
FH(Guangdong Fenghua Advanced Tech) VHF060303HQ1N5ST00(100pcs)
YAGEO AC0603FR-0764R9L(50pcs)
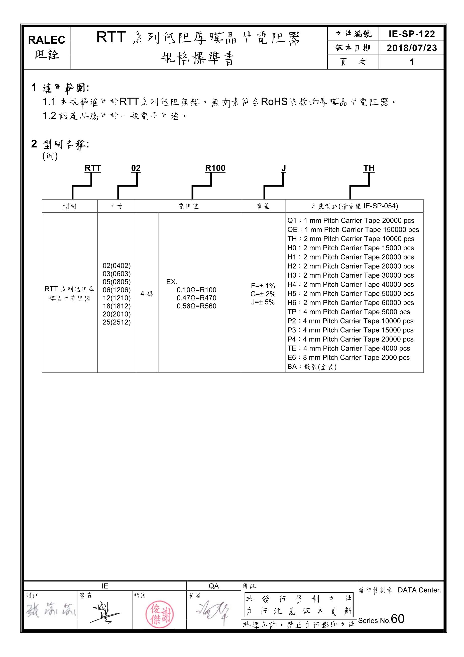
RALEC RTT18000JTE(20pcs)
PANASONIC ERJ3GEYJ203V(50pcs)
ResistorToday AECR0402F110KK9(100pcs)
TA-I Tech RLP25FEGR004(5pcs)
AO4612
AD637KQ
PANASONIC ERJ2RHD2201X(50pcs)
BCR135W
PSA(Prosperity Dielectrics) FN18N4R7C500PSG(100pcs)
Viking Tech CR-05FA7--100K(100pcs)
Walsin Tech Corp WR04X4530FTL(100pcs)
TyoHM RN 1/4W 910K F T/B A1(50pcs)
YAGEO CC1206JRNPO9BN560