Click Here to enter Utsource site
Category
Buy(0)
Inquiry(0)
Dear customers, due to the implementation of the GDPR policy in Europe, UTSOURCE has also made adjustment accordingly to meet the policy requirements. Please read the new privacy policy carefully and this window will no longer pop up after you accept it.
Delivery Address
+ Add Address
The new shipping address
* Please fill in the cell phone number correctly to make sure that you can receive the tracking info in time.
Country Code
BSS138LT3
IDT71028S20Y
TyoHM RMC0402510K1%N(100pcs)
Sunlord MWSA0603S-330MT
ResistorToday AECR0402F3K30K9(100pcs)
TDK C1005X7R1H102KT000F(50pcs)
ResistorToday AECR0402F3R30T9(100pcs)
Cixi Kefa Elec KF2EDGKM-3.81-3P
Songtian Elec STE07D390K1BN0FSB0R0(10pcs)
PANASONIC EEE1VA101AP
Guangdong Fenghua Advanced Tech RS-05L2R37FT(50pcs)
TDK VLS3012HBX-1R5M
K6T4008C1B-VB55
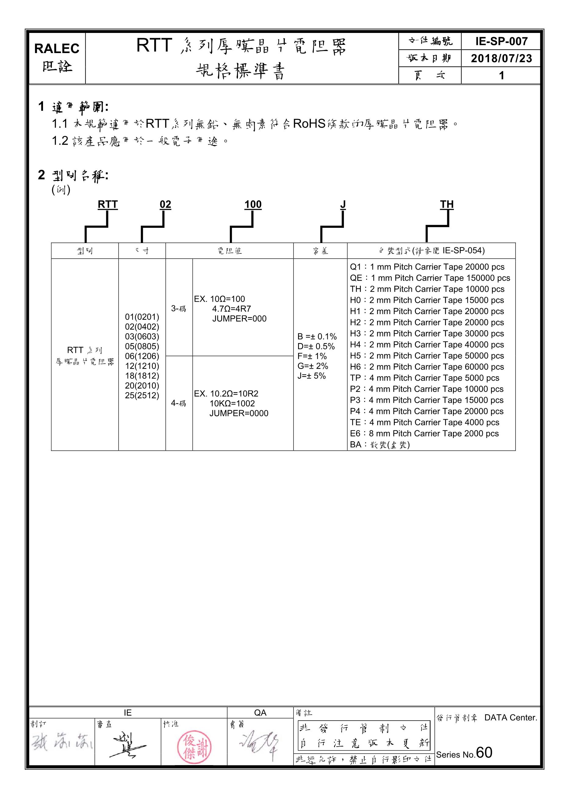
RALEC RTT061R02FTP(50pcs)
Cybermax CMLW5020S100MST
Murata Electronics GRM21BR61H105KA12L(5pcs)
JST Sales America ELP-12V
Ymin LKME2001K271MF