Click Here to enter Utsource site
Category
Buy(0)
Inquiry(0)
Dear customers, due to the implementation of the GDPR policy in Europe, UTSOURCE has also made adjustment accordingly to meet the policy requirements. Please read the new privacy policy carefully and this window will no longer pop up after you accept it.
Delivery Address
+ Add Address
The new shipping address
* Please fill in the cell phone number correctly to make sure that you can receive the tracking info in time.
Country Code
Walsin Tech Corp 0201N6R8D250LT(100pcs)
Ymin VKME1451H331MV
PANASONIC ERJP06F5601V(10pcs)
Brightking Elec (TAIWAN) 330KD05(10pcs)
Walsin Tech Corp WR12X2261FTL(50pcs)
Sunlord SDWL2520FW1R0JSTF
TyoHM RMC0603510K1%N(100pcs)
SamYoung Electronics NFA 160VB150 M 12.5*25
YAGEO RC0805FR-07267KL(100pcs)
cjiang(Changjiang Microelectronics Tech) FXL0530-R10-M
SED1278F
Cybermax CMLW252012SR68MST(5pcs)
Viking Tech AR06DTDV0300(20pcs)
TyoHM RMC060356K5%N(100pcs)
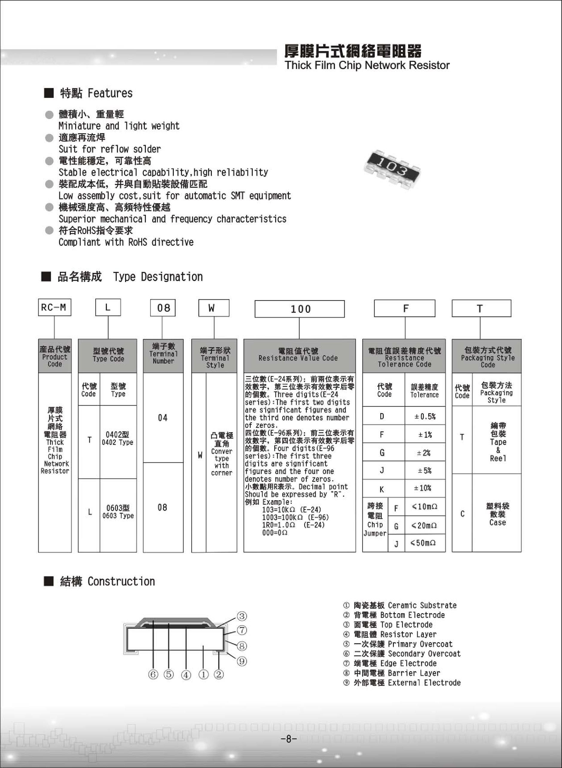
FH(Guangdong Fenghua Advanced Tech) RC-ML08W182JT(50pcs)
Guangdong Fenghua Advanced Tech RS-03K4870FT(100pcs)
Walsin Tech Corp WR06X9090FTL(100pcs)
YAGEO AC0805FR-0730R9L(50pcs)