Click Here to enter Utsource site
Category
Buy(0)
Inquiry(0)
Dear customers, due to the implementation of the GDPR policy in Europe, UTSOURCE has also made adjustment accordingly to meet the policy requirements. Please read the new privacy policy carefully and this window will no longer pop up after you accept it.
Delivery Address
+ Add Address
The new shipping address
* Please fill in the cell phone number correctly to make sure that you can receive the tracking info in time.
Country Code
KOA Speer Elec RK73B2ATTD112J(50pcs)
1SMB5935BT3G
SP233ACP
KOA Speer Elec RK73H2ATTD6R65F(50pcs)
TyoHM RMC060311%N(100pcs)
DIBO DB910-9.52-2P
Shenzhen Kinghelm Elec KH-1.0-H2.5-12PIN
Amphenol ICC L717SDA15P
Viking Tech CR-02FL6--130K(100pcs)
SamYoung Electronics MVK 35VC100 M 6.3*8(5pcs)
Taiyo Yuden UMK105CH101JVHF(50pcs)
Guangdong Fenghua Advanced Tech RS-05K1241FT(50pcs)
NRVTS560EMFST1G
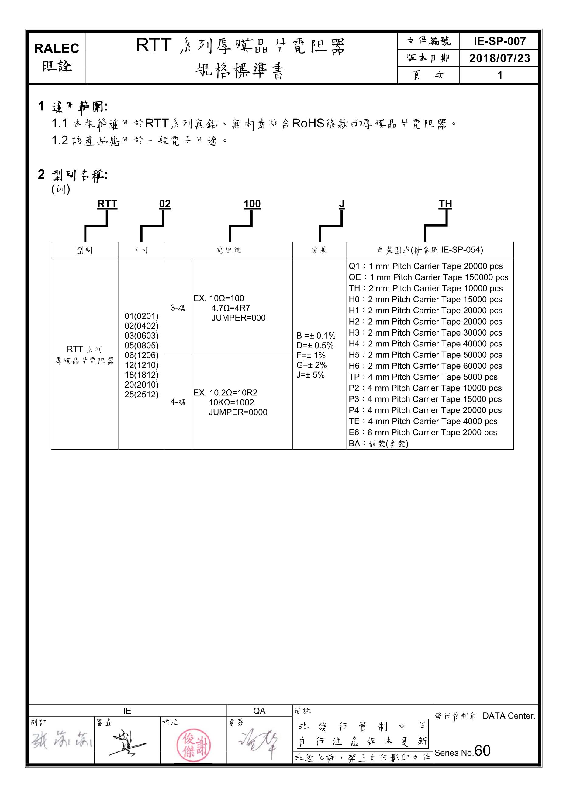
RALEC RTT255491FTE(10pcs)
Guangdong Fenghua Advanced Tech RC-02U1104FT(100pcs)
YJYCOIN YP0301-330M(10pcs)
Nichicon UVP1H2R2MDD(10pcs)
NCV3066DR2G