Click Here to enter Utsource site
Category
Buy(0)
Inquiry(0)
Dear customers, due to the implementation of the GDPR policy in Europe, UTSOURCE has also made adjustment accordingly to meet the policy requirements. Please read the new privacy policy carefully and this window will no longer pop up after you accept it.
Delivery Address
+ Add Address
The new shipping address
* Please fill in the cell phone number correctly to make sure that you can receive the tracking info in time.
Country Code
TXGA FHG20007-D18M2W1B(5pcs)
CNY75GA
Viking Tech ARG06DTC1002(20pcs)
LIZ Elec CR0603FA2213G(100pcs)
Chilisin Elec SLF1045T-100M-N
Joint Tech Elec A1252WR-15P
Walsin Tech Corp 0201N6R8D250LT(100pcs)
Chilisin Elec SSL0804T-221M-N
HD 7D024000Q01
Guangdong Fenghua Advanced Tech RS-06K4870FT(50pcs)
Cixi Kefa Elec KF2EDGR-5.08-3P(10pcs)
YAGEO RC1206FR-07787RL(100pcs)
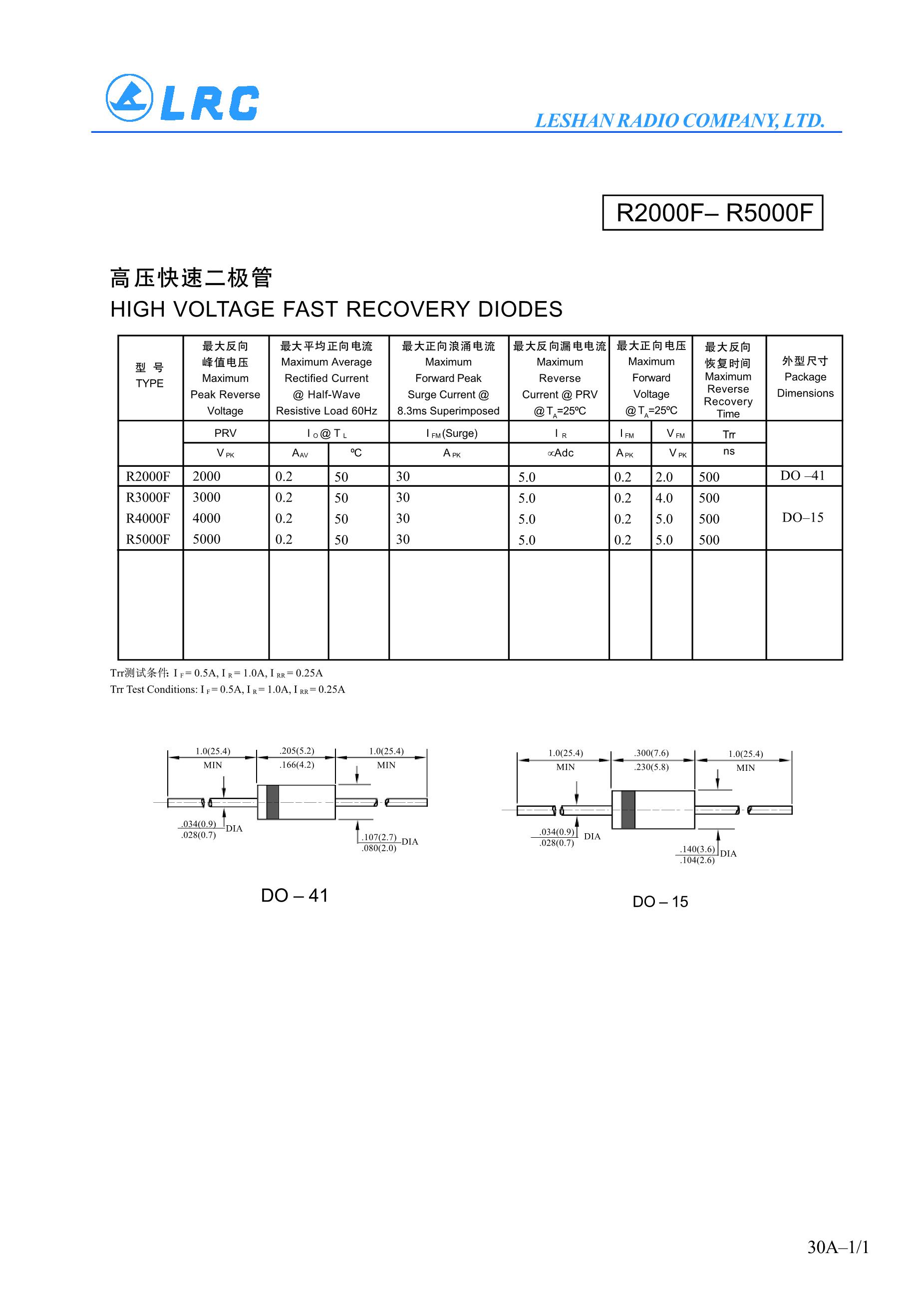
R5000F
HX(Zhejiang Yueqing Hongxing Elec) HX25003-3WAD(50pcs)
YAGEO AC0805FR-0726R7L(50pcs)
MOLEX 431782002
Capxon International Elec KF102M035G300A
TyoHM RMC08051501%N(50pcs)