Click Here to enter Utsource site
Category
Buy(0)
Inquiry(0)
Dear customers, due to the implementation of the GDPR policy in Europe, UTSOURCE has also made adjustment accordingly to meet the policy requirements. Please read the new privacy policy carefully and this window will no longer pop up after you accept it.
Delivery Address
+ Add Address
The new shipping address
* Please fill in the cell phone number correctly to make sure that you can receive the tracking info in time.
Country Code
TXGA FFC10001-20SBB124W5M
Sunlord SWPA5020SR68NT(5pcs)
Guangdong Fenghua Advanced Tech RS-03K2873FT(100pcs)
TDK CLF6045NIT-4R7N-D
SXN(Shun Xiang Nuo Elec) SMCM4520-901T
Guangdong Fenghua Advanced Tech RC-02W1653FT(100pcs)
PANASONIC ETQP3M1R0KVP
PANASONIC ERA2AEB104X(5pcs)
HX(Zhejiang Yueqing Hongxing Elec) HX28050-PT(50pcs)
Shenzhen SCTF Elec S7D50.000000B20F30T
1-1718806-1
Sunltech Tech SCC1608C22NJSP(50pcs)
LM1117IMPX-5.0
Nichicon UUD1C151MCL1GS
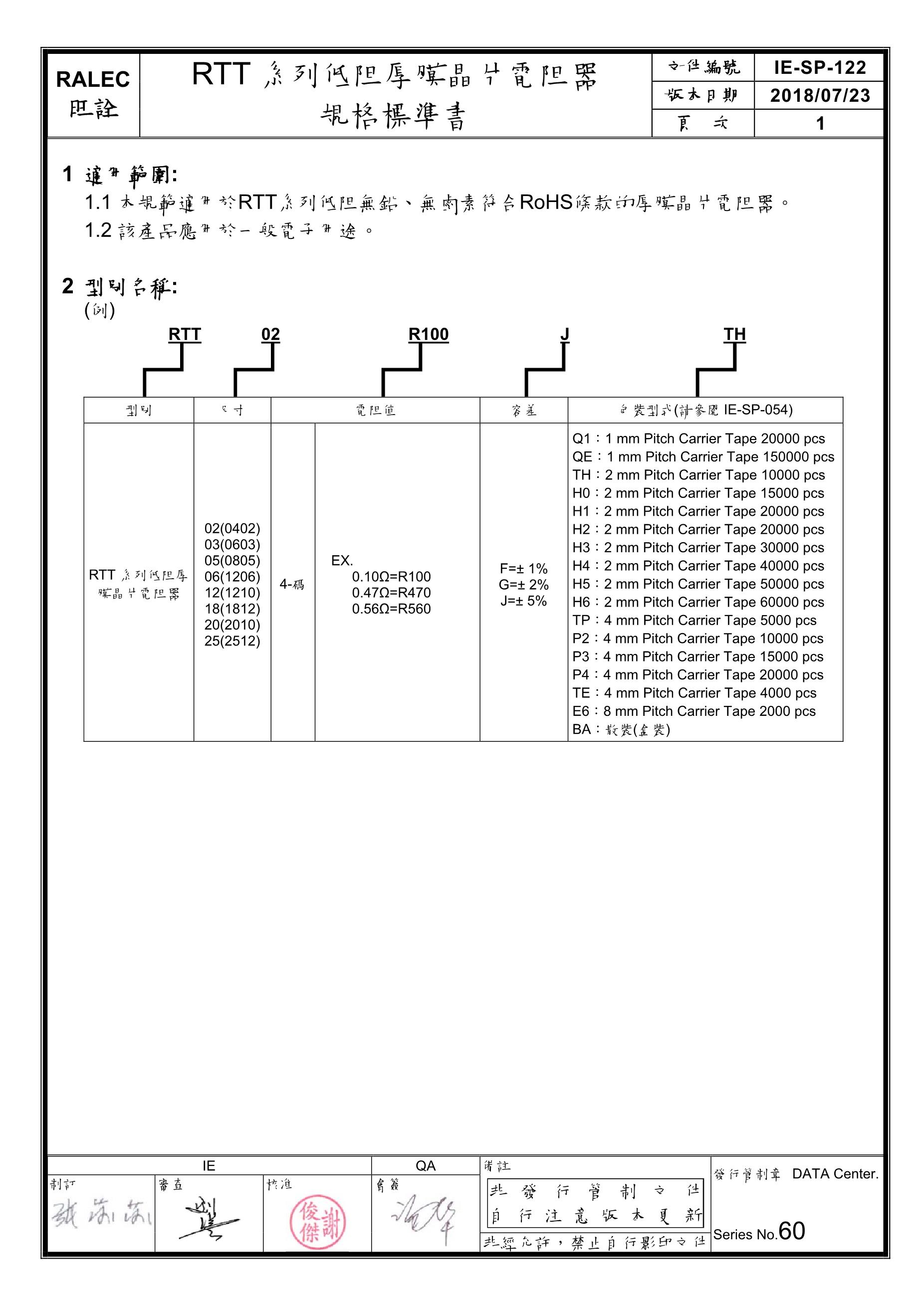
RALEC RTT251R6JTE(10pcs)
BOURNS CR0402-JW-471GLF(50pcs)
MOLEX 39012106
LC4256ZC-75TN100I