Click Here to enter Utsource site
Category
Buy(0)
Inquiry(0)
Dear customers, due to the implementation of the GDPR policy in Europe, UTSOURCE has also made adjustment accordingly to meet the policy requirements. Please read the new privacy policy carefully and this window will no longer pop up after you accept it.
Delivery Address
+ Add Address
The new shipping address
* Please fill in the cell phone number correctly to make sure that you can receive the tracking info in time.
Country Code
Walsin Tech Corp 0402N750J500CT(100pcs)
Capxon International Elec KF101M016C110ETC(20pcs)
YJYCOIN YNR8040-22OM(5pcs)
Aihua Group ERR1EM471G13P50(10pcs)
Uniroyal Elec 201007F4643T4E(50pcs)
YAGEO AC0402DR-076K8L(50pcs)
YAGEO AC0603JR-0720ML(100pcs)
SamYoung Electronics TLC 250V470 30*30
PANASONIC ERJ3EKF6491V(50pcs)
PANASONIC ERJ3EKF4303V(50pcs)
LM3S2637-IQC50-A2T
Nichicon UHE2A101MPD
SDW30-24S12
HOAUC 2543U-104CNG1SNT01(12pcs)
MCC95-16IO1
MC1558
KOA Speer Elec RK73H2ATTD1804F(50pcs)
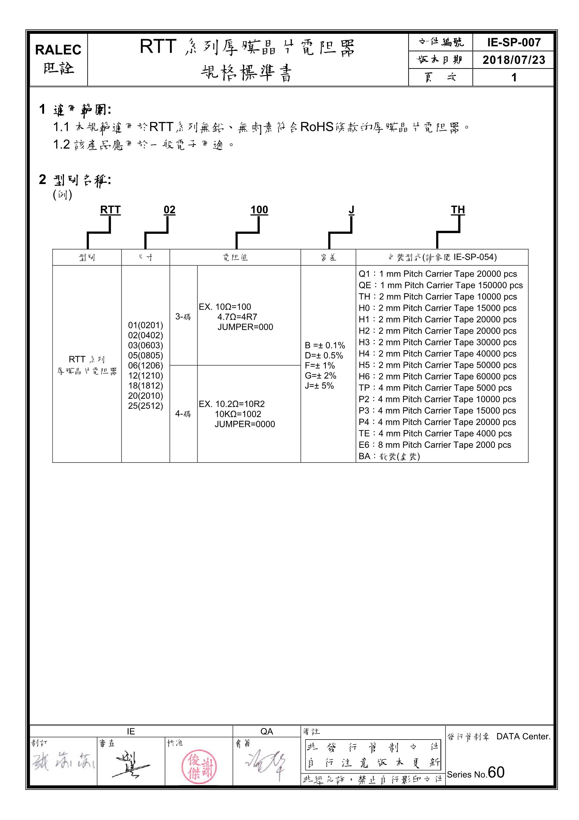
RALEC RTT201300FTE(20pcs)