Click Here to enter Utsource site
Category
Buy(0)
Inquiry(0)
Dear customers, due to the implementation of the GDPR policy in Europe, UTSOURCE has also made adjustment accordingly to meet the policy requirements. Please read the new privacy policy carefully and this window will no longer pop up after you accept it.
Delivery Address
+ Add Address
The new shipping address
* Please fill in the cell phone number correctly to make sure that you can receive the tracking info in time.
Country Code
Sunlord SDWL1608CR18JSTF(10pcs)
GBU610
Cixi Kefa Elec KF2EDGK-3.81-16P
TLP561G
FlyWin MF1/8W ±1% 36K OTB5(50pcs)
YAGEO RC0402FR-07330RL
DG418BDY-E3
SamYoung Electronics NXA25VB100M6.3*11_2.5TP(10pcs)
AT28C64B-15PU
Viking Tech AR05FTC7500(50pcs)
YAGEO AC1206FR-0748R7L(50pcs)
Sunlord MWSA0603S-150MT
ZheJiang East Crystal Elec B16000J505(5pcs)
PANASONIC ERJ2RKF133X(50pcs)
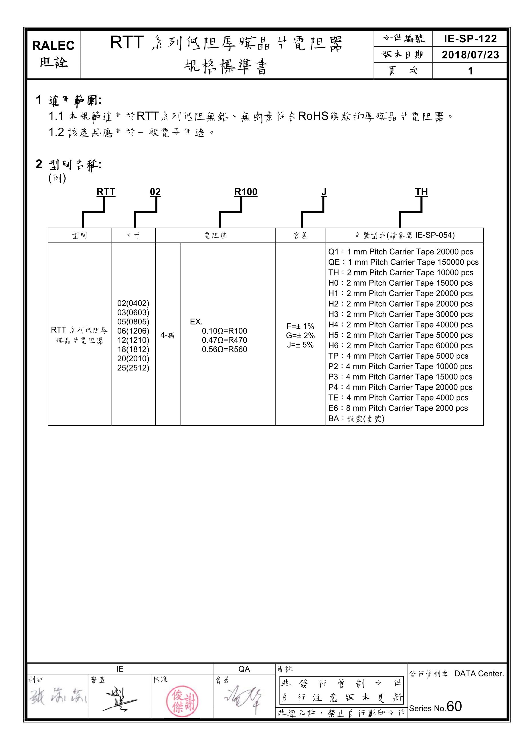
RALEC RTT251501FTE(10pcs)
microgate MPIT3015-220M-LF(10pcs)
Sunlord ASWPA8050S101MT
CRC YX4010J(5pcs)