Click Here to enter Utsource site
Category
Buy(0)
Inquiry(0)
Dear customers, due to the implementation of the GDPR policy in Europe, UTSOURCE has also made adjustment accordingly to meet the policy requirements. Please read the new privacy policy carefully and this window will no longer pop up after you accept it.
Delivery Address
+ Add Address
The new shipping address
* Please fill in the cell phone number correctly to make sure that you can receive the tracking info in time.
Country Code
Walsin Tech Corp WR08X225JTL(100pcs)
RALEC RTT018060FTH(100pcs)
AKER CXA-026000-3F7F20
DIBO DBT30C-7.62-12P
Guangdong Fenghua Advanced Tech RS-06K6490FT(50pcs)
Viking Tech AR05FTC82R5(50pcs)
MAGLAYERS MMD-12FD-6R8M-V1
BSP742RI
TyoHM RMC06037501%N(100pcs)
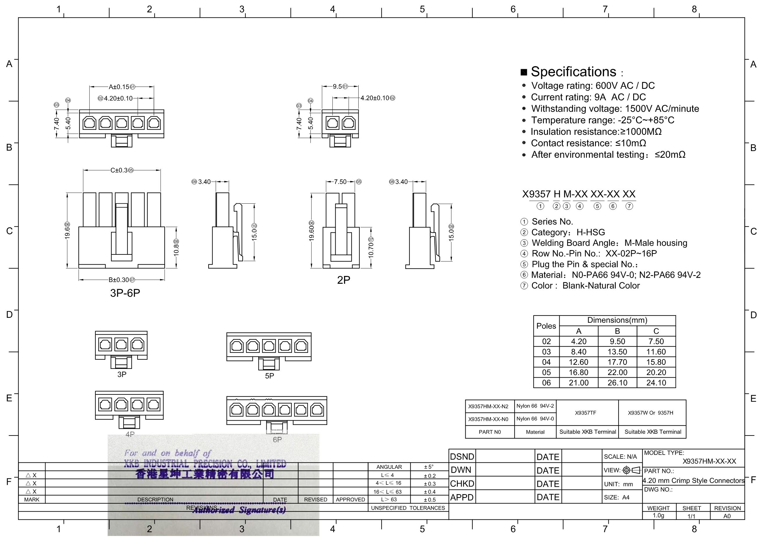
XKB Enterprise X9357HM-04-N2(5pcs)
TE Connectivity 170340-3(100pcs)
SJK(SHENZHEN CRYSTAL TECH) 7E32000E09UCG
Zhejiang Abel Elec SMD-5032_4P 25M 20pf 20ppm
KOA Speer Elec RK73B2ATTD221J(50pcs)
Walsin Tech Corp WR04X1270FTL(100pcs)
RALEC RTT036044FTP(100pcs)
TL431ACD
Ymin VKME1301H221MV