Click Here to enter Utsource site
Category
Buy(0)
Inquiry(0)
Dear customers, due to the implementation of the GDPR policy in Europe, UTSOURCE has also made adjustment accordingly to meet the policy requirements. Please read the new privacy policy carefully and this window will no longer pop up after you accept it.
Delivery Address
+ Add Address
The new shipping address
* Please fill in the cell phone number correctly to make sure that you can receive the tracking info in time.
Country Code
M2GL005-1VFG400
Walsin Tech Corp WR08X4323FTL(100pcs)
TDK NLV25T-R18J-EFD
Guangdong Fenghua Advanced Tech RS-06K22R1FT(50pcs)
TE Connectivity 963245-1(5pcs)
CCTC TCC0402X7R221M500AT(100pcs)
Nichicon UHV0J221MDD(5pcs)
Nichicon UVR1V470MDD(10pcs)
LM380N
YAGEO AC0402FR-0722RL(100pcs)
UNI-ROYAL(Uniroyal Elec) 25121WJ0124T4E
TDK VAR-18160157M3P-FK
YAGEO RC0603FR-072R21L(100pcs)
Me-TECH MJC-0624D-R68-M(5pcs)
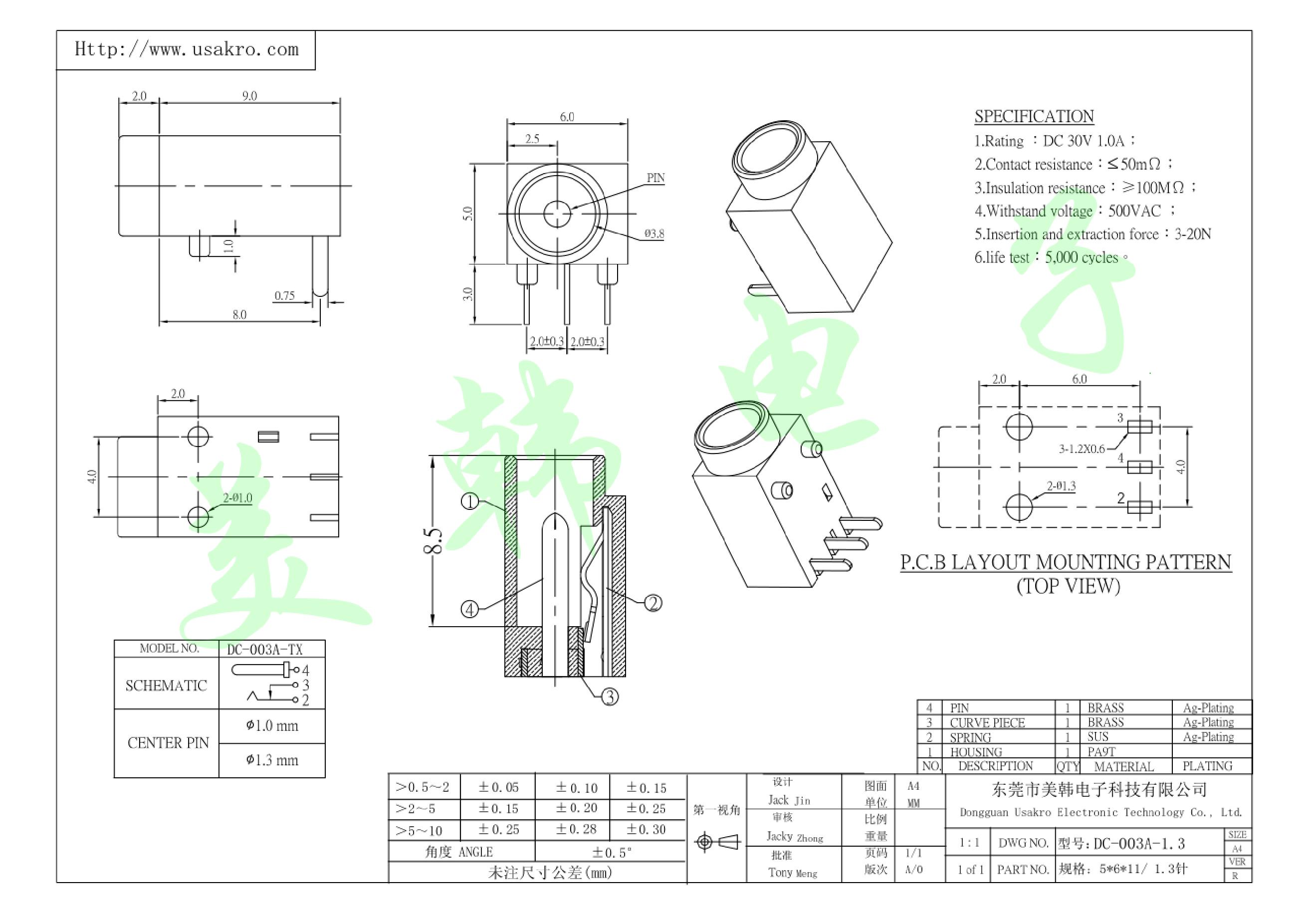
USAKRO DC-003A-1.3(5pcs)
microgate MGFI1608C1R0KT-LF(50pcs)
TyoHM RMC04025.1K5%N(100pcs)
HX(Zhejiang Yueqing Hongxing Elec) HX20007-6WAD(20pcs)