Click Here to enter Utsource site
Category
Buy(0)
Inquiry(0)
Dear customers, due to the implementation of the GDPR policy in Europe, UTSOURCE has also made adjustment accordingly to meet the policy requirements. Please read the new privacy policy carefully and this window will no longer pop up after you accept it.
Delivery Address
+ Add Address
The new shipping address
* Please fill in the cell phone number correctly to make sure that you can receive the tracking info in time.
Country Code
Chilisin Elec SCDS4D18T-2R2M-S-N
LIZ Elec CR0805F84873G(100pcs)
UGN3503UA
JST Sales America B18B-XADSS-N-A(LF)(SN)
Nichicon UCD1E330MCL6GS(5pcs)
Uniroyal Elec 201007F1500T4E(50pcs)
Murata Electronics LQP03TG11NH02D(50pcs)
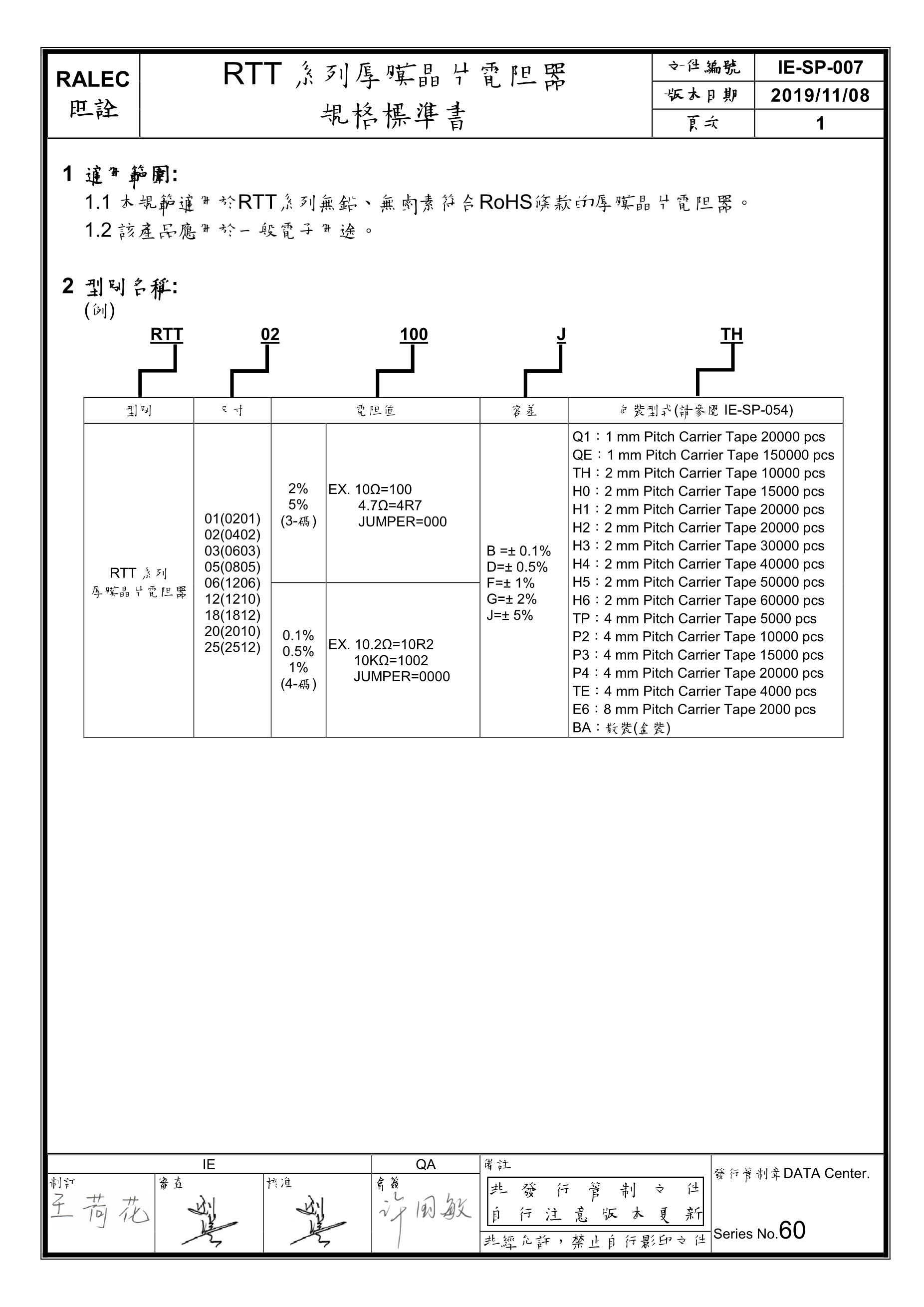
RALEC RTT203601FTE(50pcs)
Ymin LKMI1602E820MF
Uniroyal Elec 181207F390JT4E(10pcs)
74HCT374
UNI-ROYAL(Uniroyal Elec) 201007J0681T4E(50pcs)
CRC YX4245C(5pcs)
Rubycon 50ZLH120MEFCCE8X16
493571-1
TXGA FFC10003-06SBB124W5M
microgate MPIA252012-3R3M-LF(10pcs)
ResistorToday EWWR0010J15K0T9