Click Here to enter Utsource site
Category
Buy(0)
Inquiry(0)
Dear customers, due to the implementation of the GDPR policy in Europe, UTSOURCE has also made adjustment accordingly to meet the policy requirements. Please read the new privacy policy carefully and this window will no longer pop up after you accept it.
Delivery Address
+ Add Address
The new shipping address
* Please fill in the cell phone number correctly to make sure that you can receive the tracking info in time.
Country Code
BGY88
IRF9Z34NSPBF
Guangdong Fenghua Advanced Tech RC-02W14R0FT(100pcs)
Amphenol ICC SP14M1F
Viking Tech AR06BTCV2003(5pcs)
SNJ54LS04J
PANASONIC ETQP3M100KVN
YAGEO RC1206FR-0746R4L(100pcs)
Murata Electronics GRJ216R71H103KE01D(20pcs)
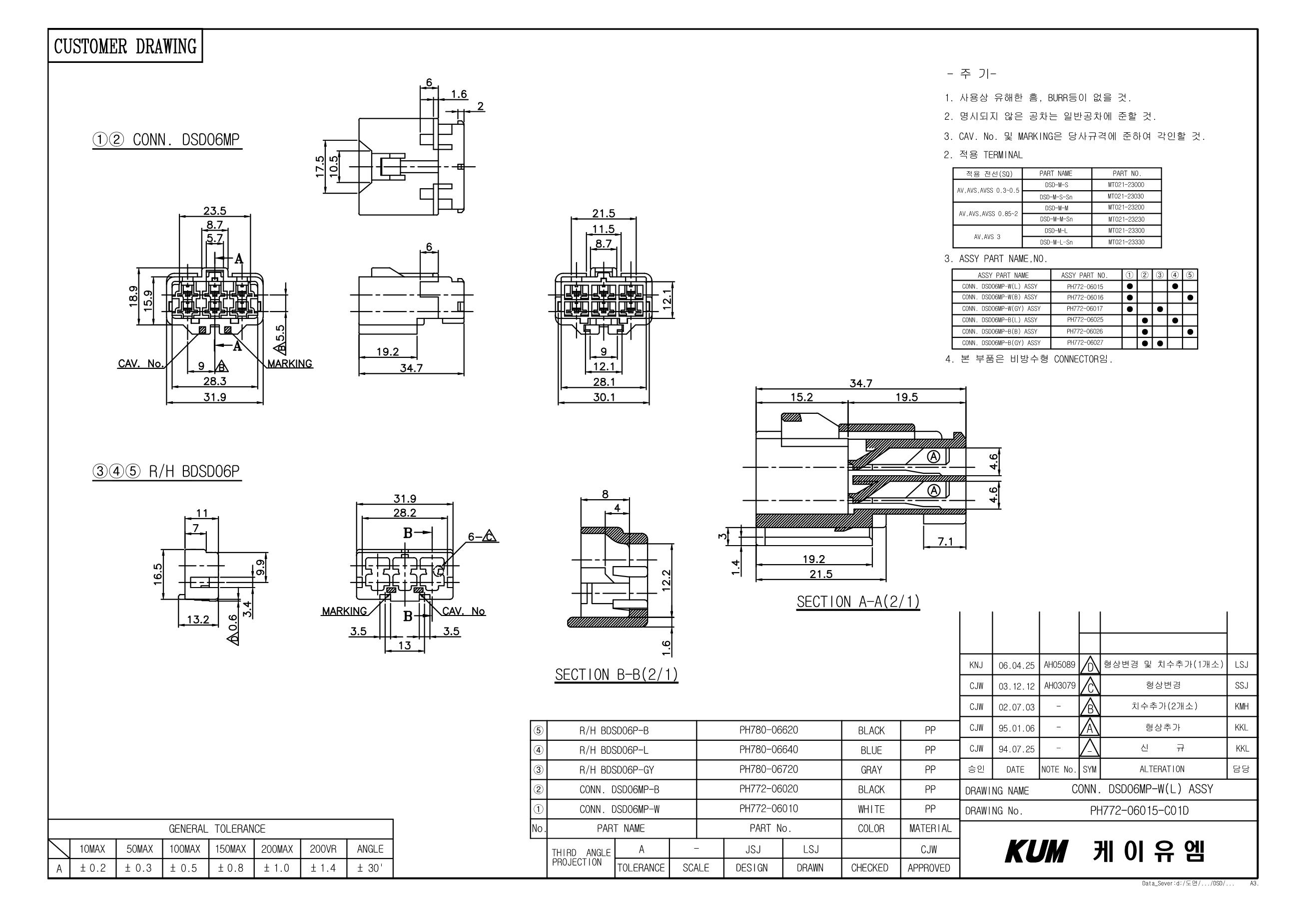
KUM PH772-06015
YAGEO RC0603FR-076R98L(100pcs)
YAGEO AC0805FR-074R22L(50pcs)
XIAMEN FARATRONIC C43Q1103K40C80F(5pcs)
Ever Ohms Tech CR2512F33M0E04Z(10pcs)
Walsin Tech Corp WR04W3304FTL(100pcs)
Guangdong Fenghua Advanced Tech RC-02U5R11FT(100pcs)
Shenzhen Kinghelm Elec KH-0.5-H3.25-6PIN(5pcs)
Cybermax CMLF0302-1R0MTT(10pcs)