Click Here to enter Utsource site
Category
Buy(0)
Inquiry(0)
Dear customers, due to the implementation of the GDPR policy in Europe, UTSOURCE has also made adjustment accordingly to meet the policy requirements. Please read the new privacy policy carefully and this window will no longer pop up after you accept it.
Delivery Address
+ Add Address
The new shipping address
* Please fill in the cell phone number correctly to make sure that you can receive the tracking info in time.
Country Code
YAGEO AC0805FR-07158RL(50pcs)
ResistorToday AECR0603F5R60T9(50pcs)
JINJIA CK6.35-3-20A
Nichicon UHV1V681MPD
CCTC TCC0402X7R104K250AT(100pcs)
Zhejiang Yueqing Hongxing Elec HX20007-14WAP(5pcs)
2112166-3
Viking Tech ARG05BTC3011(10pcs)
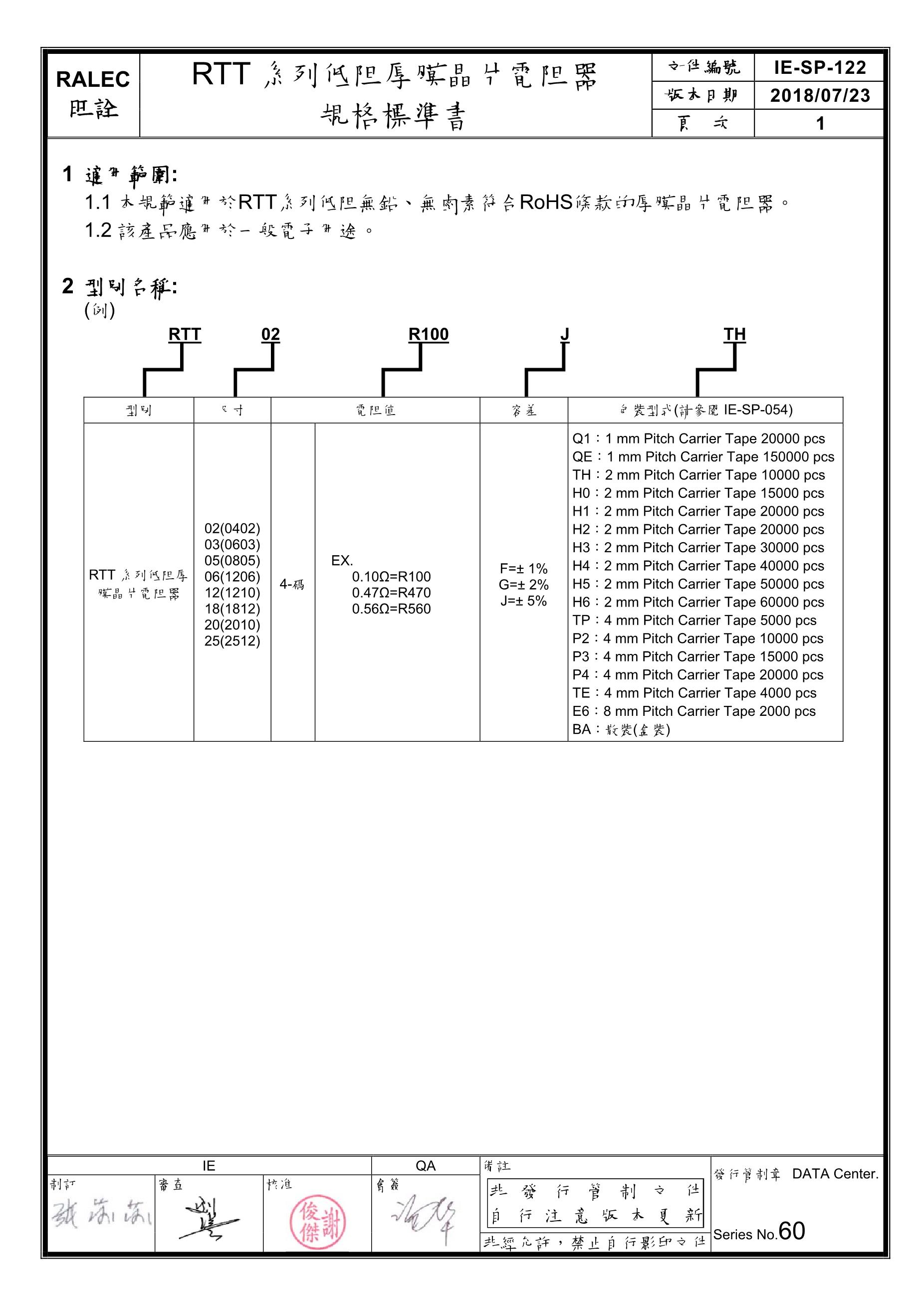
RALEC RTT25R062FTE(10pcs)
PANASONIC ERJ3GEYJ135V(50pcs)
Shenzhen SCTF Elec S3D32.768KB20F30T
Taiyo Yuden TMK063CG221JTHF(50pcs)
HX(Zhejiang Yueqing Hongxing Elec) HX20007-7AWB(5pcs)
TDK C2012X5R1A475KT000N(10pcs)
WEIPU SF1212/S9
WEIPU WS16K4/Z
Sumida CDRH127/LDNP-151MC
STB11NK50Z