Click Here to enter Utsource site
Category
Buy(0)
Inquiry(0)
Dear customers, due to the implementation of the GDPR policy in Europe, UTSOURCE has also made adjustment accordingly to meet the policy requirements. Please read the new privacy policy carefully and this window will no longer pop up after you accept it.
Delivery Address
+ Add Address
The new shipping address
* Please fill in the cell phone number correctly to make sure that you can receive the tracking info in time.
Country Code
KOA Speer Elec RK73H1HTTC2203F(50pcs)
TAITEC TMPA0603S-R68MN-D(5pcs)
TDK CS17-F2GA103MYVSA
AD8183ARUZ-REEL
Shenzhen SCTF Elec S3B30.000000F1010F30(5pcs)
UNI-ROYAL(Uniroyal Elec) TC0525B1333T5J(10pcs)
Ever Ohms Tech CR0805J9K1P05(100pcs)
Ever Ohms Tech CR1812J36KE04(50pcs)
Cixi Kefa Elec KF2EDGVM-7.62-12P
MOLEX 5601230800
Joint Tech Elec A1001WR-S-10PD01
Vishay Intertech IHSM5832ER4R7L
Lelon MEA562M2W--D130
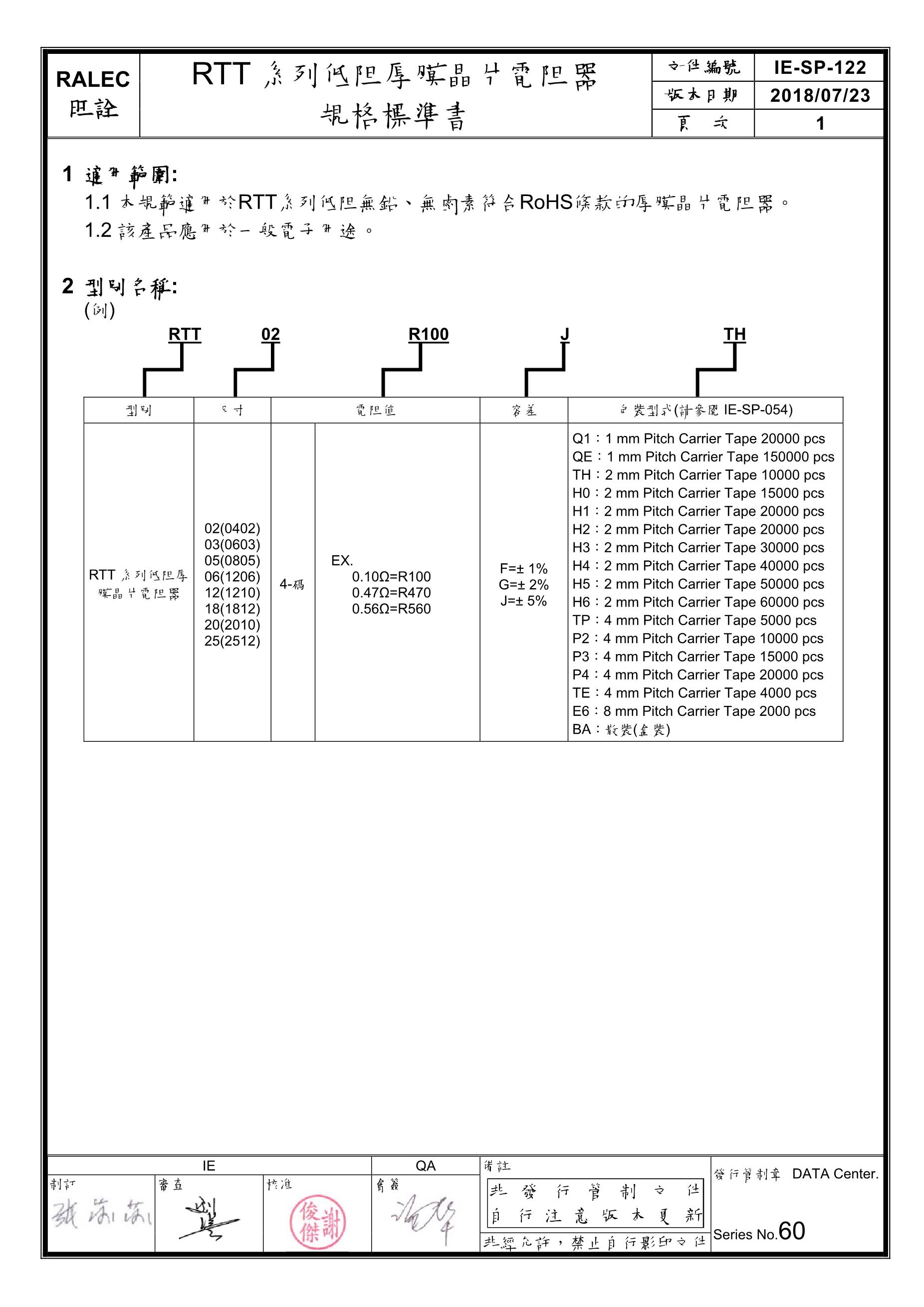
RALEC RTT2060R4FTE(20pcs)
STU2040PL
Chilisin Elec SLF1255T-680M-N
Guangdong Fenghua Advanced Tech FHW1210HC012JGT(5pcs)
PANASONIC ERJ6GEYJ430V(50pcs)