请点击进入网站
类型
购买(0)
询价(0)
Delivery Address
+ 添加地址
新的货运地址
*为了您能及时收到到货信息,请正确填写手机号。
国家代码
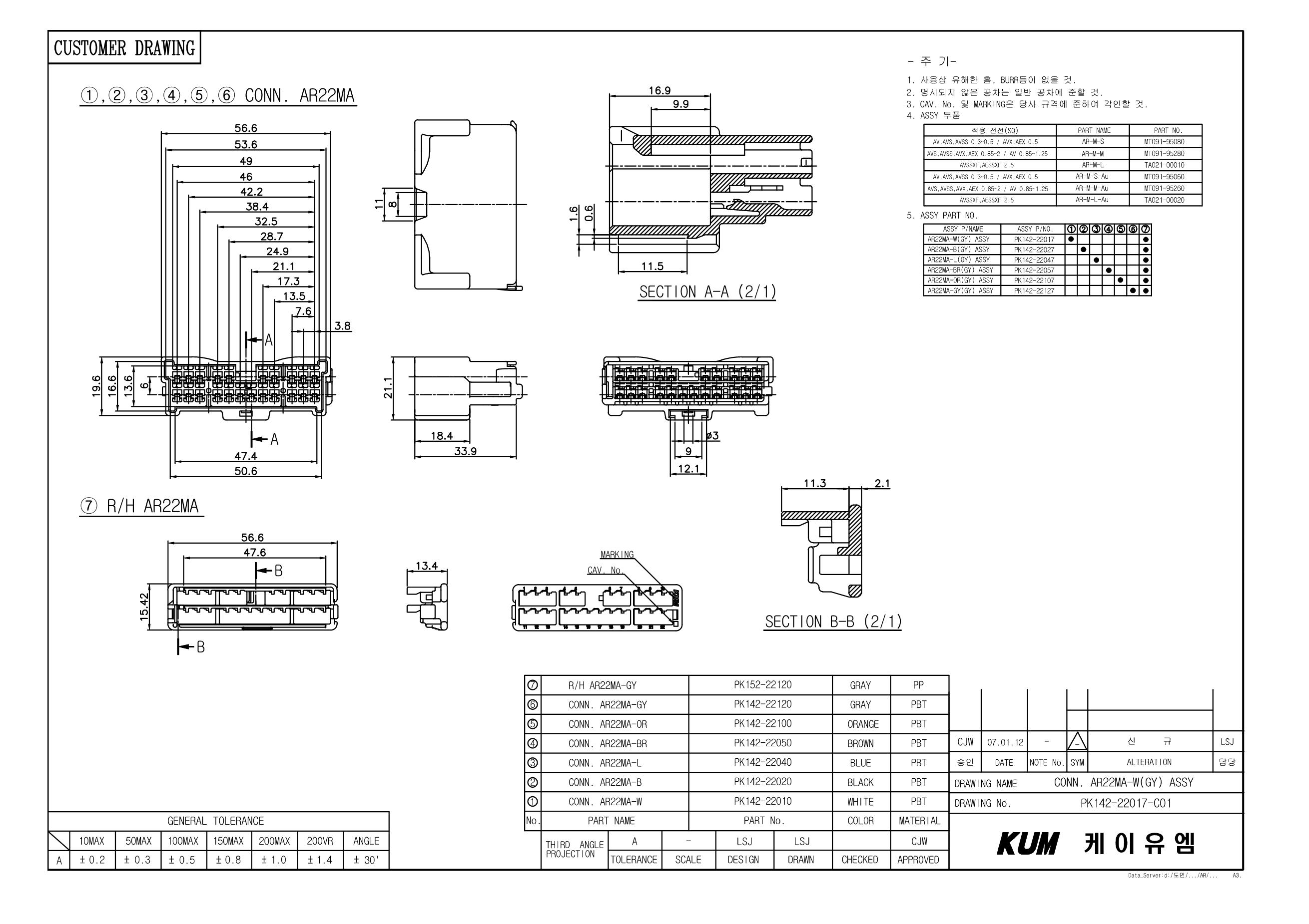
KUM PK142-22107
TMS9995NL
Su'scon HG025M221F12TKKKSOOR(5pcs)
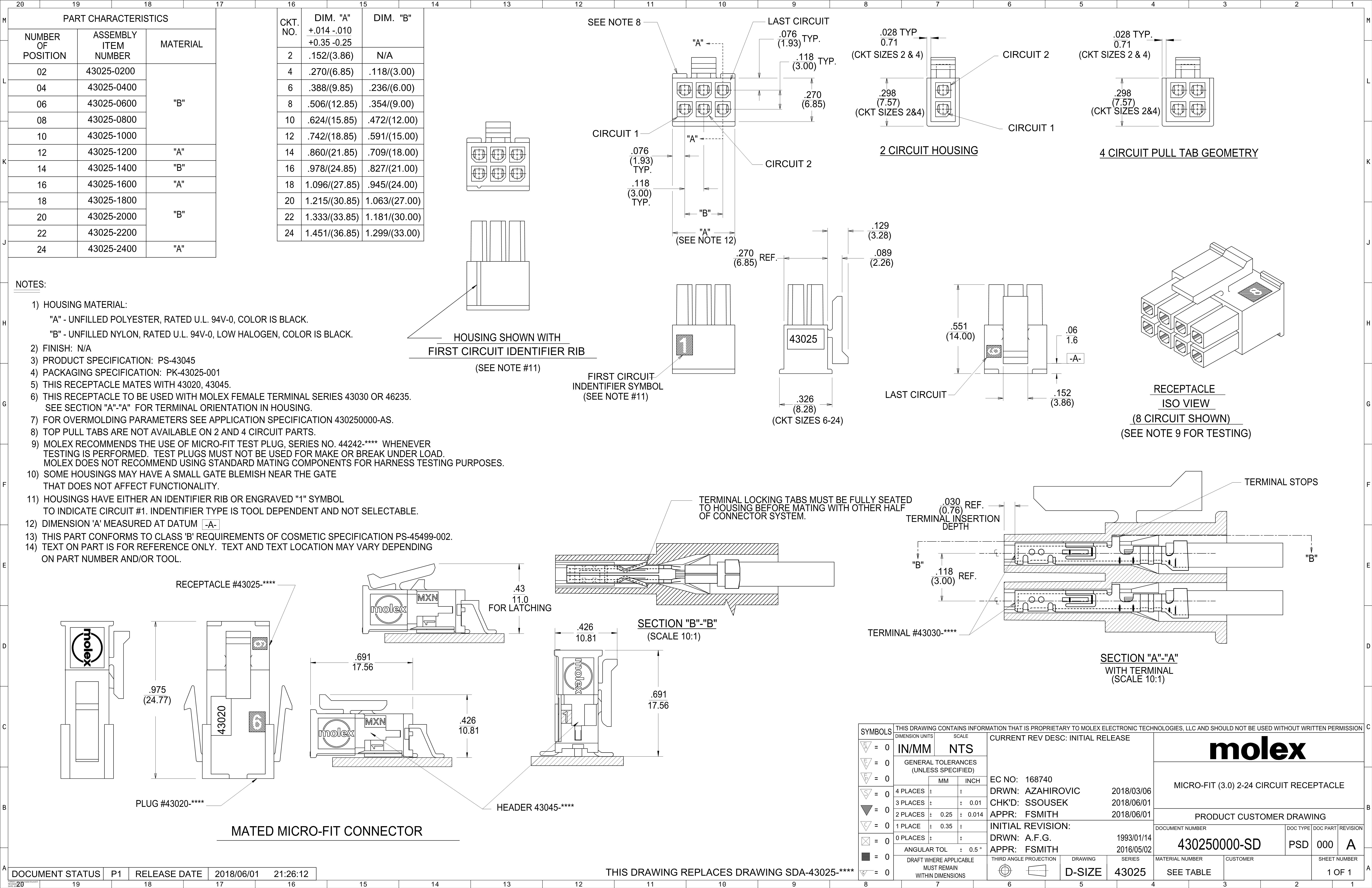
MOLEX 430251800
FPE H20202DL-R
Ymin VKMC1001V121MV(10pcs)
Walsin Tech Corp WR20X2000FTL(20pcs)
Lelon VZH471M1CTR-1010
Uniroyal Elec 25121WF2323T4E(100pcs)
YAGEO RC0805FR-073M32L
EFS2A
NG80386SX-25
DLK DSB4ND-15LM1YN30HF
Viking Tech AR05FTC3R30(50pcs)
Chilisin Elec SLF1045T-4R7M-N
Uniroyal Elec 201007F2613T4E(50pcs)
Hirose/HRS BM28B0.6-20DS/2-0.35V(51)
TyoHM RMC04024.3K1%N(100pcs)