请点击进入网站
类型
购买(0)
询价(0)
Delivery Address
+ 添加地址
新的货运地址
*为了您能及时收到到货信息,请正确填写手机号。
国家代码
BOURNS CR0603-FX-9090ELF(50pcs)
YJYCOIN YPRH3D28-470M
Uniroyal Elec 0805W8D2702T5E(50pcs)
Uniroyal Elec 25121WF6811T4E(20pcs)
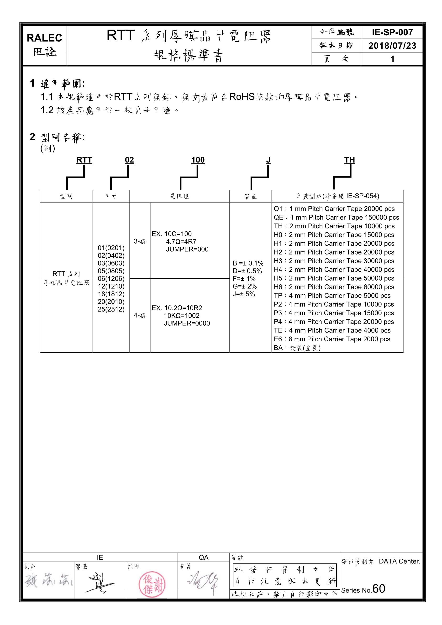
RALEC RTT03R910FTP(50pcs)
MOLEX 340620025
Viking Tech AR02DTD4302(50pcs)
DIBO DBT10-8.5-12P
BXA30-12S05
Walsin Tech Corp SR06X000PTL(100pcs)
2MBI150S-120
KOA Speer Elec RK73H1JTTD15R4F(100pcs)
Cixi Kefa Elec KF2EDGRM-3.5-12P
PANASONIC ERJ2RKF2800X(50pcs)
KOA Speer Elec RK73B1JTTD3R0J(100pcs)
Murata Electronics LQP03TN2N9B02D(50pcs)
XKB Enterprise X2011WR-04A-N0SN(10pcs)
Sunlord SWPA8065S6R8MT