请点击进入网站
类型
购买(0)
询价(0)
Delivery Address
+ 添加地址
新的货运地址
*为了您能及时收到到货信息,请正确填写手机号。
国家代码
TDK MLG0603P1N0BTD25(50pcs)
TA-I Tech RM10JTN684(100pcs)
Murata Electronics GRM31CC72A475KE11L
TAITEC TMPC0602H-1R0MG-D
SamYoung Electronics TLS 400V1000 35*50
Guangdong Fenghua Advanced Tech RS-05K9310FT(50pcs)
YJYCOIN YSPI0750-150M
PA81J
ResistorToday AECR0603F3R30T9(50pcs)
ResistorToday AECR2010F100RK9(5pcs)
Guangdong Fenghua Advanced Tech RC-01W3093FT(100pcs)
Guangdong Fenghua Advanced Tech RS-03K1330FT(100pcs)
XFCN M2026V-2x8P
Walsin Tech Corp 1206B472K631CT(20pcs)
Viking Tech AR03FTC1332(50pcs)
LT1088CD
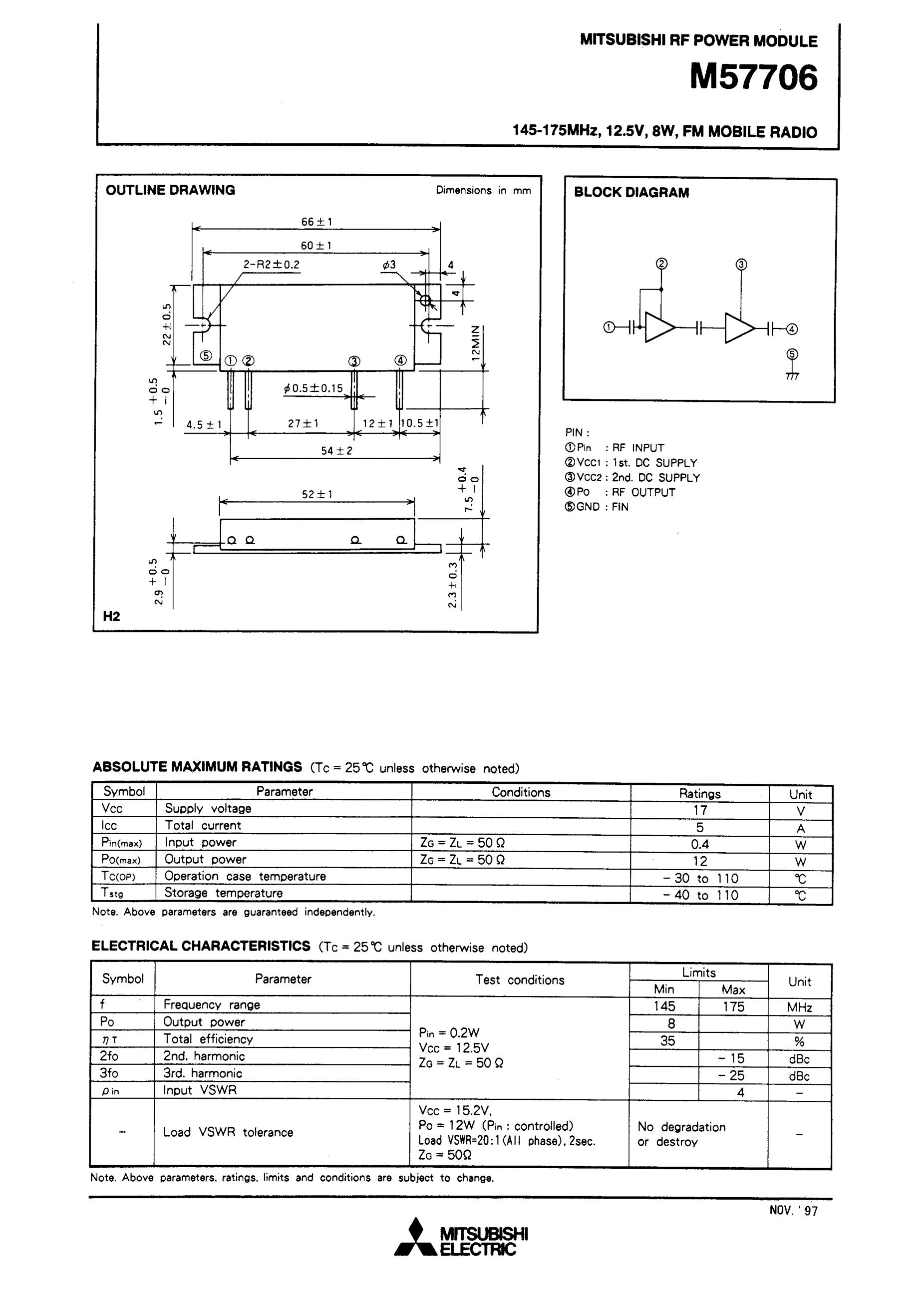
M57706
PANASONIC EEEHA0J102UP