Click Here to enter Utsource site
Category
Buy(0)
Inquiry(0)
Dear customers, due to the implementation of the GDPR policy in Europe, UTSOURCE has also made adjustment accordingly to meet the policy requirements. Please read the new privacy policy carefully and this window will no longer pop up after you accept it.
Delivery Address
+ Add Address
The new shipping address
* Please fill in the cell phone number correctly to make sure that you can receive the tracking info in time.
Country Code
BSP295
YJYCOIN YSPI1040-330M
Guangdong Fenghua Advanced Tech RS-03K90R9FT(100pcs)
Murata Electronics LQH2MCN1R5M02L
Coilmaster Elec SQH3010S-3R3M-LF
Murata Electronics GRM155B10J224KE01D(50pcs)
YAGEO AC0402JR-078M2L(100pcs)
PQ090RDA1SZH
Chilisin Elec SCDS105R-561M-N
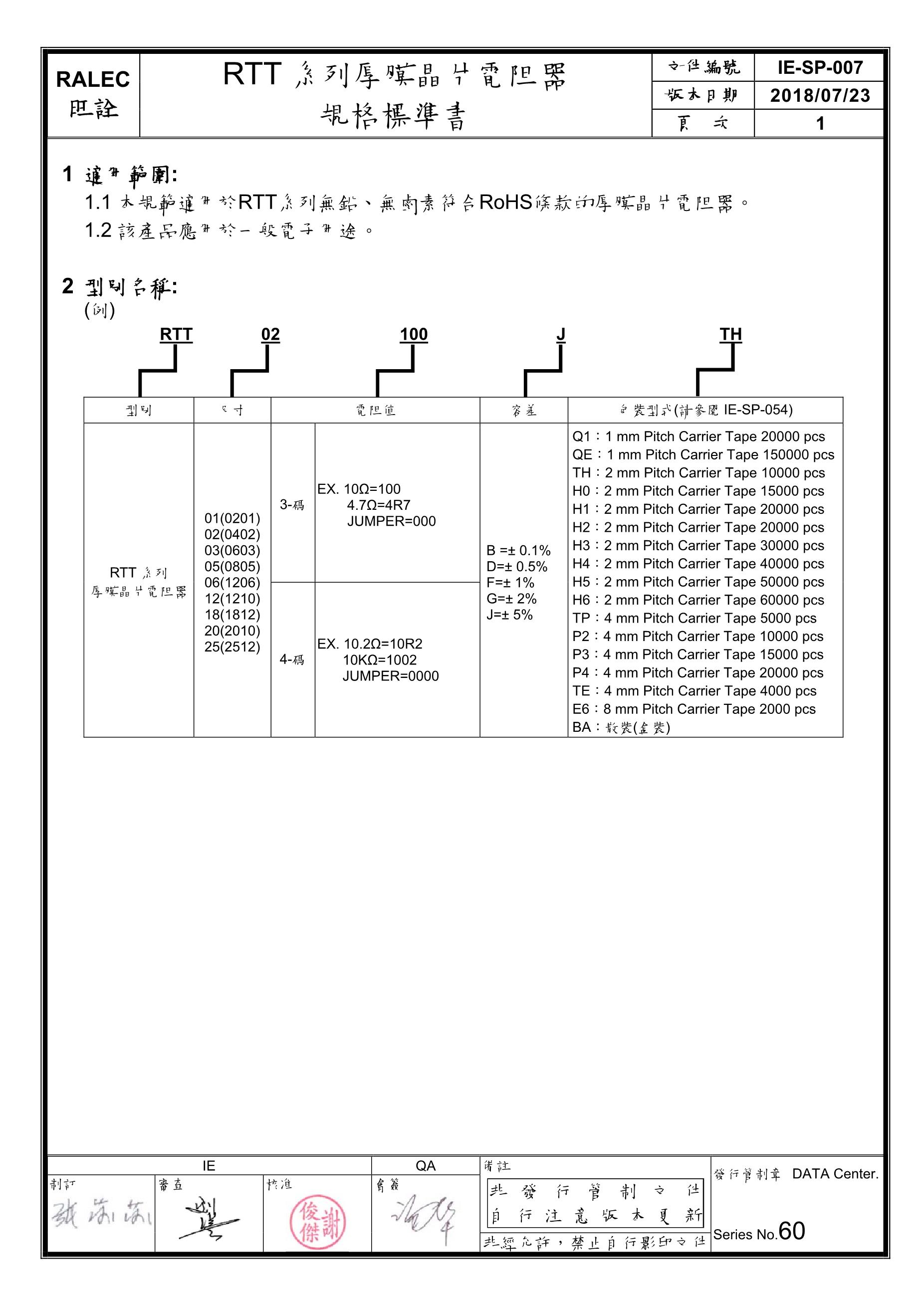
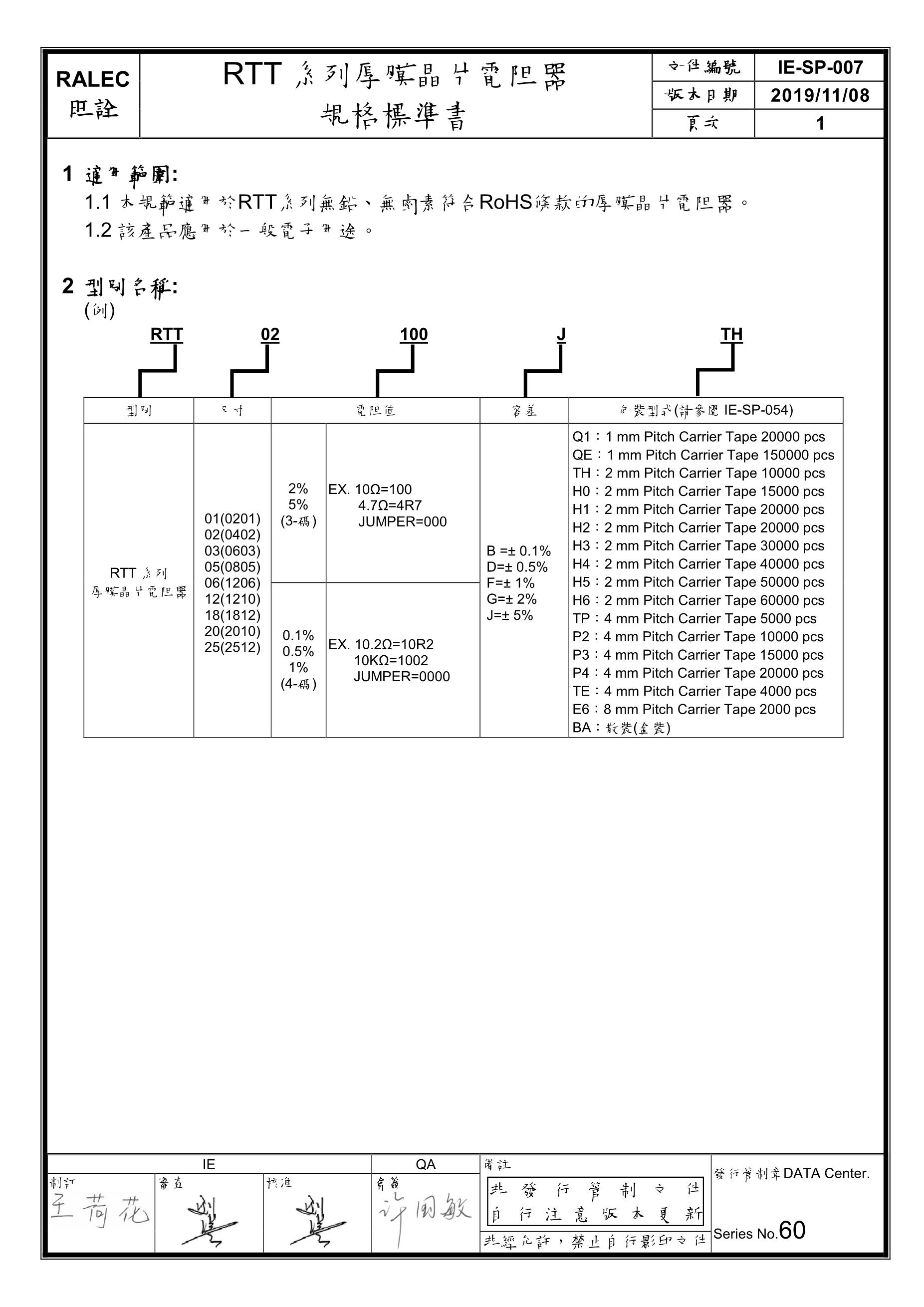
RALEC RTT20R04JTE(20pcs)
MC68HC705C9ACFNE
XFCN P3960-06P(10pcs)
RALEC RTT12R047FTP(20pcs)
IRLI3615
Prosperity Dielectrics FNF06JT-101(20pcs)
CEP76139
TDK CK45-B3AD471KYVNA(20pcs)
Sunlord SDFL2012S6R8KTF(20pcs)