Click Here to enter Utsource site
Category
Buy(0)
Inquiry(0)
Dear customers, due to the implementation of the GDPR policy in Europe, UTSOURCE has also made adjustment accordingly to meet the policy requirements. Please read the new privacy policy carefully and this window will no longer pop up after you accept it.
Delivery Address
+ Add Address
The new shipping address
* Please fill in the cell phone number correctly to make sure that you can receive the tracking info in time.
Country Code
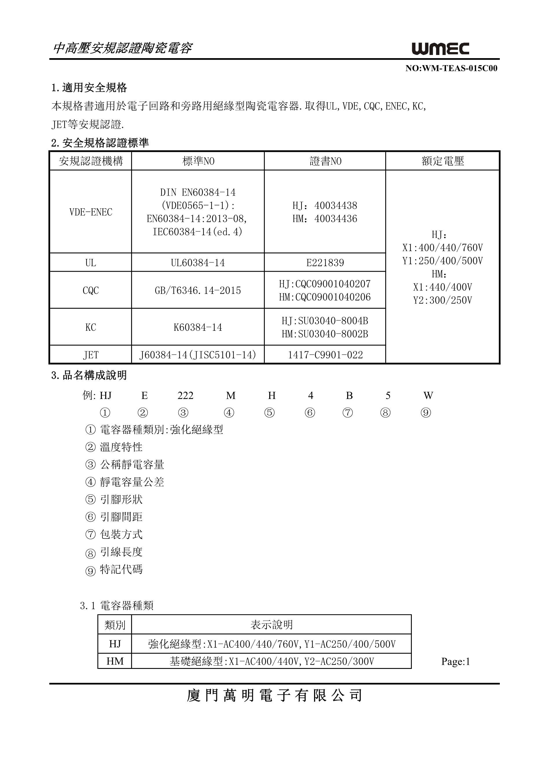
LM124JB
WMEC HJE102MG4BW-F6001(10pcs)
Walsin Tech Corp WR04X2R2 JTL(100pcs)
AQW210
RALEC RTT254222FTE(10pcs)
Viking Tech AR05FTC1370(50pcs)
Guangdong Fenghua Advanced Tech RS-03K152FT(100pcs)
Uniroyal Elec 0603WAD2611T5E(50pcs)
Lelon VZH470M1HTR-0810(5pcs)
JST Sales America S08B-XASS-1N-BN(LF)(SN)
ROHM Semicon ESR25JZPF8200(10pcs)
DRV8860PWR
BC640-16
AVX TPSD156K035R0100
YAGEO AC0402JR-073M3L(100pcs)
TA1227
Jimson MPP472J630D02(10pcs)
AT24C164-10PI-1.8