Click Here to enter Utsource site
Category
Buy(0)
Inquiry(0)
Dear customers, due to the implementation of the GDPR policy in Europe, UTSOURCE has also made adjustment accordingly to meet the policy requirements. Please read the new privacy policy carefully and this window will no longer pop up after you accept it.
Delivery Address
+ Add Address
The new shipping address
* Please fill in the cell phone number correctly to make sure that you can receive the tracking info in time.
Country Code
Cixi Kefa Elec KF2EDGK-5.08-9P
Guangdong Fenghua Advanced Tech FHW0603UF1R2JST(10pcs)
Viking Tech AR06DTCV4703(20pcs)
Walsin Tech Corp WR02X2371FAL(100pcs)
Chilisin Elec SSL1306T-471M-N
NCC(Nippon Chemi-Con) APSG160ETD102MJB5S
UNI-ROYAL(Uniroyal Elec) 0201WMF4302TEE(100pcs)
MBR3045CT
Sunlord SPH252012HR22MT(10pcs)
Walsin Tech Corp 0603N202J500CT(20pcs)
Uniroyal Elec 0805W8F1915T5E(50pcs)
COILMX MSA75-102M
UAA1016
TyoHM RMC04022K1%N(100pcs)
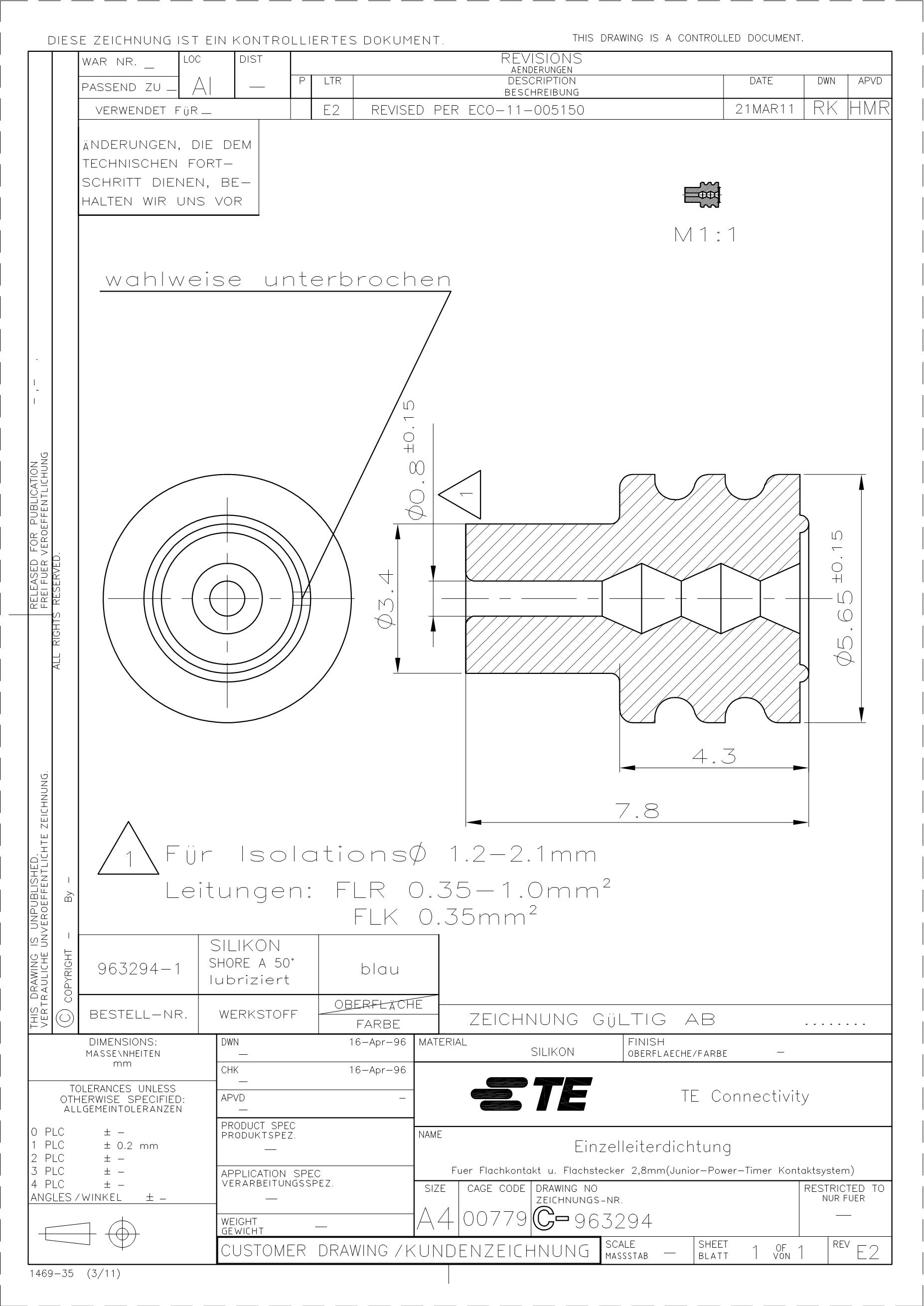
TE Connectivity 963294-1(20pcs)
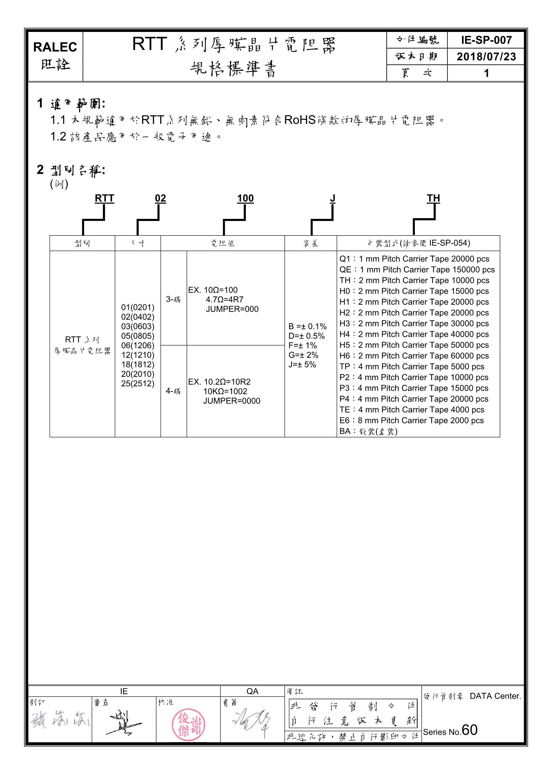
RALEC RTT02R033FTH(20pcs)
TLE5226G
Murata Electronics GJM0335C1E240JB01D(50pcs)