Presione aquí para acceder a la página de Utsource
Tipo
Comprar(0)
Pida su cotización(0)
Dear customers, due to the implementation of the GDPR policy in Europe, UTSOURCE has also made adjustment accordingly to meet the policy requirements. Please read the new privacy policy carefully and this window will no longer pop up after you accept it.
Delivery Address
+ Añadir dirección
Nueva dirección de transporte
* Por favor, complete el número de teléfono celular correctamente para asegurarse de que puede recibir la información de seguimiento a tiempo.
Código de país
Guangdong Fenghua Advanced Tech RC-02U1694FT(100pcs)
REF1004I-1.2/2K5
ST72F324K6T6/TR
LA3110
ResistorToday AECR0805F270KK9(50pcs)
TCET1103G
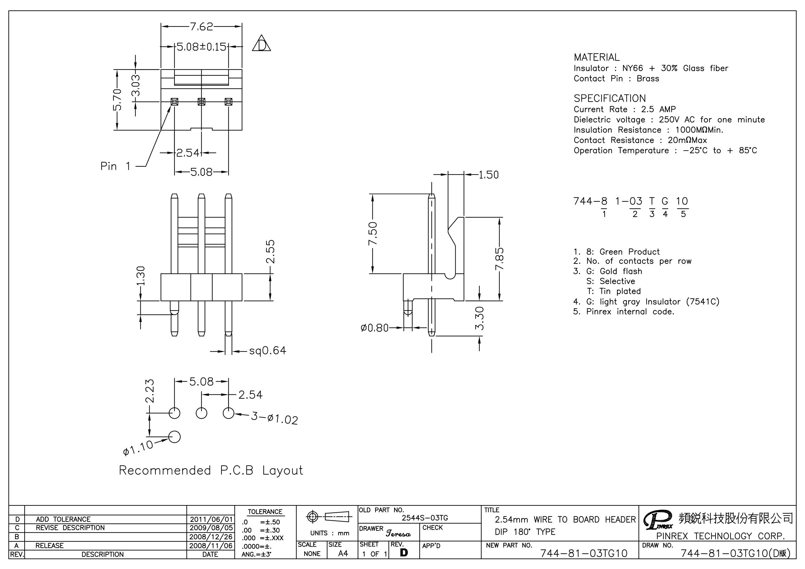
PINREX 744-81-03TG10(20pcs)
XIAMEN FARATRONIC C823D392J60Q350
KAMAYA RMC1/10-512JTP(50pcs)
YAGEO AC1206FR-0718K7L(50pcs)
LIZ Elec CR0603FA2740G(100pcs)
Stackpole Elec HCJ0603ZT0R00
Viking Tech CR-05JA7--510R(100pcs)
Sunlord SDWL1005C6N4SSTFM01(10pcs)
YAGEO JPW-06-T-52-(10pcs)
RALEC RTT204751FTE(20pcs)
Cixi Kefa Elec KF2EDGRM-7.62-12P
SXN(Shun Xiang Nuo Elec) SMMF0806-G1202P(10pcs)