Presione aquí para acceder a la página de Utsource
Tipo
Comprar(0)
Pida su cotización(0)
Dear customers, due to the implementation of the GDPR policy in Europe, UTSOURCE has also made adjustment accordingly to meet the policy requirements. Please read the new privacy policy carefully and this window will no longer pop up after you accept it.
Delivery Address
+ Añadir dirección
Nueva dirección de transporte
* Por favor, complete el número de teléfono celular correctamente para asegurarse de que puede recibir la información de seguimiento a tiempo.
Código de país
Uniroyal Elec MFR0W4F120KA50(50pcs)
42CTQ030S
microgate MAPM0420F-4R7M-LF
Viking Tech AR03FTC9763(50pcs)
YAGEO RC0603FR-071R18L(100pcs)
BOURNS CR0603-FX-1912ELF(50pcs)
PANASONIC ERJ6GEYJ162V(50pcs)
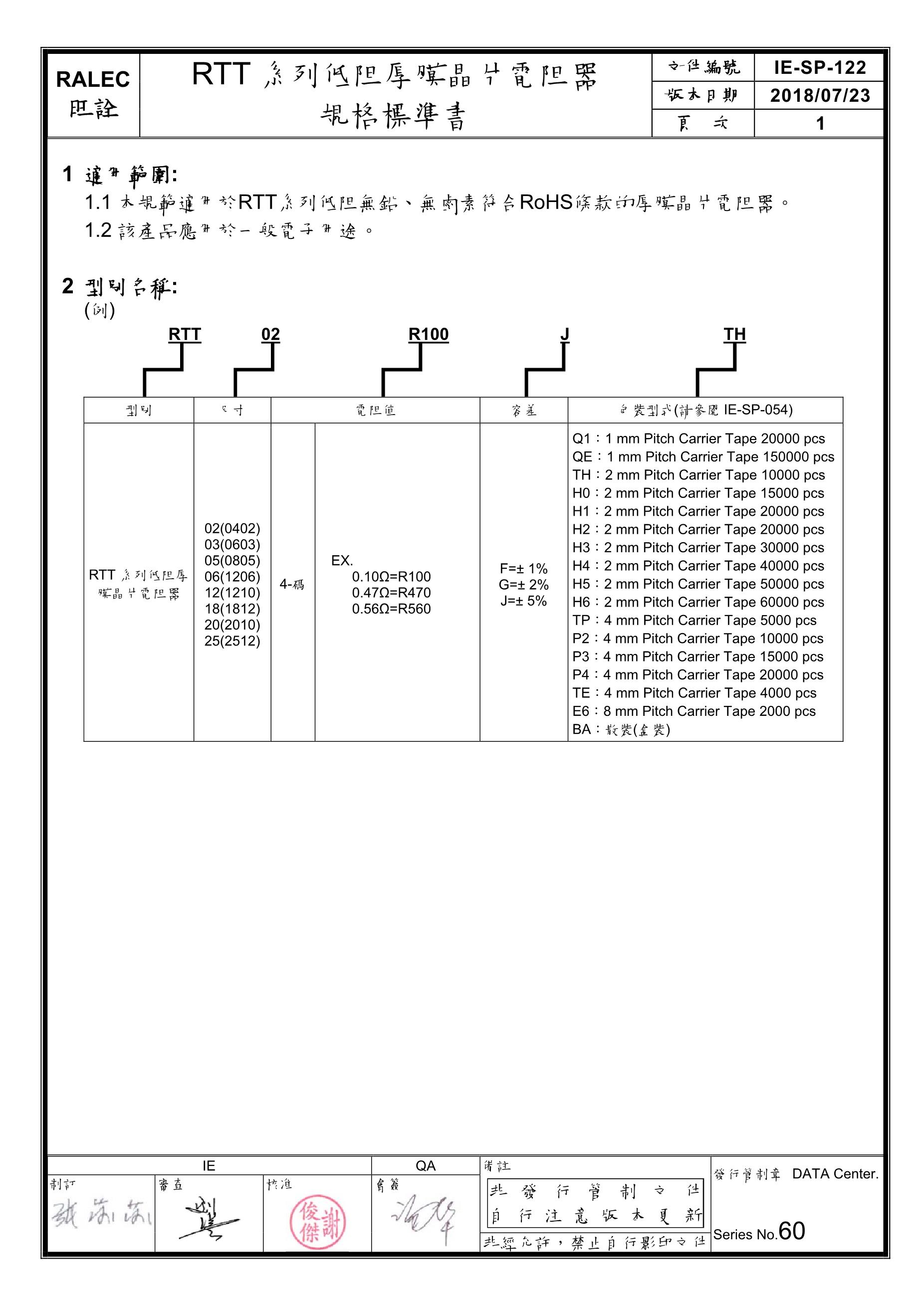
RALEC RTT023403DTH(100pcs)
PANASONIC ERJ3EKF5602V(50pcs)
RALEC RTT012152FTH(100pcs)
Viking Tech CR-05FL7---20K(100pcs)
Coilcraft 0603AF-421XJEW
RALEC RTT02751JTH(100pcs)
PANASONIC ERJ2RKF5100X(50pcs)
PANASONIC ERJPA2J752X(20pcs)
Viking Tech AR05DTC2200(20pcs)
Lelon VEJ221M0JTR-0605(10pcs)
Guangdong Fenghua Advanced Tech RS-05K1543FT(50pcs)