Presione aquí para acceder a la página de Utsource
Tipo
Comprar(0)
Pida su cotización(0)
Dear customers, due to the implementation of the GDPR policy in Europe, UTSOURCE has also made adjustment accordingly to meet the policy requirements. Please read the new privacy policy carefully and this window will no longer pop up after you accept it.
Delivery Address
+ Añadir dirección
Nueva dirección de transporte
* Por favor, complete el número de teléfono celular correctamente para asegurarse de que puede recibir la información de seguimiento a tiempo.
Código de país
TE Connectivity 1-1871465-2
KOA Speer Elec RK73B1HTTC244J(100pcs)
PANASONIC ERJ2RKF8450X(50pcs)
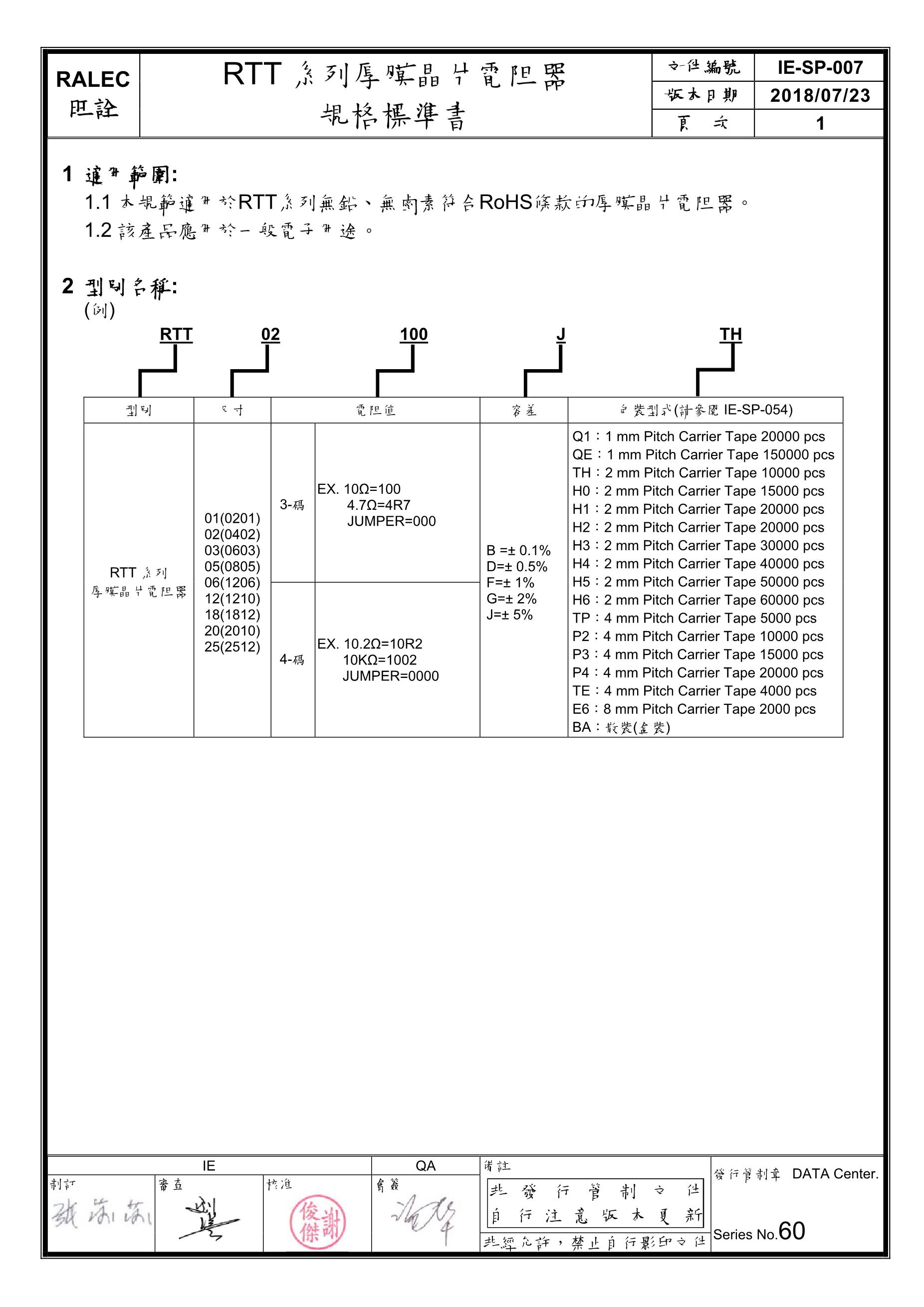
RALEC RTT057R87FTP(50pcs)
RALEC RTT251100FTE(10pcs)
173858-1
Ymin LKMJ2001H102MF
UNI-ROYAL(Uniroyal Elec) 1210W2F6200T5E(50pcs)
Chilisin Elec MHCI04012-R47M-R8AU
ResistorToday AECR1206F3K00K9(50pcs)
SANYEAR SY0603JN2K2P(100pcs)
TXC Corp AV08000005
YAGEO CC0805KRX7R7BB683(50pcs)
Joint Tech Elec A1001WR-S-2X15PD01
MOLEX 39000089
DIBO DB2ERC-3.81-4P(10pcs)
UDN2540B
Lelon VEU331M0JTR-0810(5pcs)